2Н135 станок сверлильный
Вертикально-сверлильный станок 2Н135: характеристики, паспортТрадиции выпуска качественного металлорежущего оборудования были заложены в СССР в послевоенный период. Очень часто конструкторам удавалось создать станки, которые длительный срок использовались производственниками. К ним можно отнести вертикально сверлильный станок 2Н135, технические характеристики которого долгое время были эталоном.
Вертикально-сверлильный станок 2Н135Сверлильное оборудование
В станочном парке большой процент занимает сегмент сверлильных станков. Это объясняется необходимостью проводить сверление практически в любом технологическом процессе. Всю необходимую информацию, связанную с устройством агрегата содержит паспорт, поставляемый с любой моделью агрегата.
Все оборудование данного сегмента представляет собой три группы, каждая из которых выделяется в зависимости от специфики работы:
- специальные;
- специализированные;
- универсальные.

В каждой из этих групп можно провести градацию в зависимости от размеров сверла, и соответственно отверстий, которые под силу данному сверлильному станку. Выделим основные:
- легкие, до 12 мм;
- средние, 18-50 мм;
- тяжелые, свыше 50 мм.
Назначение, принцип действия, устройство станка 2Н135
Историческая справка
Вертикально-сверлильный станок модели 2Н135 негласно считается «рабочей лошадкой» всех механических участков машиностроительных производств. Устройство станка отличается максимальной простотой и надёжностью, а кинематическая схема действия коробки передач и коробки скоростей станка до сих пор не имеет себе равных.
Выпуск базовой модели 2135 начался в 1945 году на заводе города Стерлитамак. После этого, основываясь на данных эксплуатации, были проведены работы по модернизации. С 1965 года началось производство модели 2Н135.
Внешний вид станка 2Н135
Техническая характеристика сверлильного станка 2Н135
Расшифровка названия оборудования может быть произведена следующим образом.
При расшифровке первая цифра условного обозначения указывает на группу металлорежущего оборудования – сверлильное, буква дальше свидетельствует о глубокой модернизации предшествовавших вариантов конструкции (исторически первым был вариант «А», вторым – «Б» и т.д.). Следующая после буквенного индекса цифра при расшифровке указывает на тип станка (1 – вертикальный), а две последних сообщают основные технические характеристики для всего сверлильного станочного парка – наибольшем диаметре просверливаемого отверстия в миллиметрах.
Материалом для эталонной заготовки принимается сталь марки Сталь 45 в обычном состоянии после прокатки. Поэтому для деталей, изготовленных из других материалов с большей или меньшей прочностью, приведенная выше кинематическая характеристика может изменяться соответственно в меньшую или большую сторону. В расшифровке могут встречаться также дополнительные цифры и буквы, указывающие на модификацию основной модели. Все данные в нашем случае находятся в паспорте вертикально сверлильного станка 2Н135.
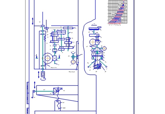
Конструкция вертикально сверлильного станка 2Н135 ясна из представленного рисунка. Изготовитель вправе вносить в модель некоторые дизайнерские, технические или иные изменения в конструкцию и чертёж, которые не должны ухудшать в станке 2Н135 технические возможности и габариты общего вида агрегата описываемой модели.
В комплект к поставляемому оборудованию обычно прилагается паспорт, инструкция по эксплуатации, также вкладывают кинематическую и электрическую схемы, ведомость и чертежи быстроизнашиваемых деталей. Ряд фирм производит и специальные исполнения – например, с поворотным столом, с ЧПУ, с коробкой пиноли под головку с несколькими шпинделями и пр. (обзор вариантов достаточно длинен).
Электрическая схема 2Н135
Основное назначение агрегата – выполнять разнообразные сверлильные и зенковочные операции, однако на 2Н135 можно также нарезать резьбу, резать торцы, производить развёртывание, вертикальную запрессовку и даже использовать специальный инструмент для фрикционной осадки изделий, прочностные характеристики которых не превышают значений для стали 45.
Вертикально сверлильный станок 2Н135 состоит из следующих механизмов:
- Электродвигателя.
- Коробки скоростей.
- Плунжерного насоса.
- Коробки подач, которая может функционировать как в ручном, так и в автоматическом режиме.
- Большой опорной вертикальной колонны.
- Инструментальной головки со шпинделем.
- Регулируемого по высоте стола.
- Основания.
- Системы управления агрегатом.
- Гидросистемы охлаждения.
- Электрическое оборудование.
Расположение составных частей сверлильного станка 2Н135
Принцип действия
Кинематика агрегата определяет возможности изменения числа оборотов для шпинделя. Конструктивные решения и габариты коробок скоростей и подач позволяют реализовать различную производительность операций, настройку которых определяет материал изделия, подвергаемого мехобработке, и отверстие в заготовке. Кроме того этот процесс зависит от габаритов детали.
Расшифровка и описание не вносят ясность в некоторые эксплуатационные и кинематические показатели, которыми располагает оборудование, поэтому далее приводится технические характеристики станка (касается только базового исполнения):
- Возможный вертикальный вылет станины, м – 0,3.

- Эксплуатационный рабочий габарит между шпинделем и столом, мм – 30…750.
- Шпиндель: число оборотов, мин-1 – 31.5…1400;
- Наибольшее количество скоростей в коробке скоростей – 12.
- Максимальный сверлильный ход коробки подач, мм – 250.
- Электрический двигатель: работа/номинальный крутящий момент, Нм – 400.
- Наибольшее усилие, развиваемое коробкой подач, Н – 15000.
- Размеры рабочего стола, мм — 500×450, способ фиксации заготовок – Т-образные пазы, возможность продольной регулировки стола ± 150 мм.
- Точность устройства ручного управления для коробок: подачи, мм ± 0,05, скоростей, мм ± 0,05…0,8 (ручной отсчёт – по лимбу).
- Мощность приводного двигателя, кВт – 4.
- Габарит, м – 2,535×0,835×1,030.
- Вес, кг – 1200.
Полную информацию о любых станках можно почерпнуть из паспортов интересующих изделий. Паспорт содержит схему установки агрегата, и план фундамента под его основание. Габариты сверлильного станка 2Н135 говорят о том, что он может устанавливаться в небольших помещениях.
Скачать паспорт (инструкцию по эксплуатации) вертикально-сверлильного станка 2Н135
Эксплуатация механизма в рабочем режиме заключается в следующем. Деталь, подлежащую обработке, следует расположить и зафиксировать на координатном столе. Шпиндель с установленным сверлом (или иным инструментом согласно чертежу) при этом должен находиться в крайнем нижнем положении. Шпиндель можно зацентровать, используя устройство продольного перемещения стола.
Убедившись в соосности взаимного расположения шпинделя и торца заготовки и, выбрав подходящую скорость из кинематических возможностей в коробке скоростей, включают вертикальный двигатель главного привода. Когда кинематическая схема управления коробки подач настроена, осуществляют подачу инструментальной головки к торцу изделия, и производят необходимую технологическую операцию.
Особенности устройства
Основой всего агрегата выступает сверлильная головка.
Это отливка, выполненная в форме коробки, в которой установлены основные узлы станка:
- шпиндель;
- механизм переключения;
- коробка скоростей;
- механизм подачи;
- коробка подач.
- Коробка подач станка 2Н135
- Коробка скоростей станка 2Н135
Головка расположена на опоре, и на нее установлен двигатель. Он посредством муфты и зубчатой передачи передает вращательный момент на коробку скоростей станка 2Н135. В ней имеются специальные блоки, способные изменять вращение режущего инструмента. Зубчатая пара на выходе, придает движение коробке подач, ее конструктивные особенности позволяют производить девять подач. В конечном итоге начинает работать механизм подачи.
Кинематическая схема станка 2Н135
На переднюю панель сверлильной головки вынесены все кнопки, отвечающие за управление электрической схемой станка 2Н135. При включении основного пускателя загорается лампочка, сигнализирующая, что электрический ток запитал цепи.
Схема позволяет изменять направление вращения шпинделя, и производить динамическое торможение. Кроме того, ее устройство облегчает переключение скоростей.
От перегрузки защищают тепловые реле. Для устранения возможной опасности поражения оператора током электрическая схема агрегата предусматривает применение защитного заземления.
Нельзя начинать эксплуатацию механизма без детального изучения паспорта. Только так вы сможете избежать поломок и аварий.
Сверлильный станок Roadheader Ebz Серия Ebz135l 135kw
Сверлильный станок:
EBZ75, EBZ90, EBZ120, EBZ135, EBZ160, EBZ200, EBZ230, EBZ260, EBZ320
Сверлильный станок EBZ135L с узкой рамой и короткой рамой . составляет всего 1470 мм, и это делает машину более гибкой и применимой к низкому туннелю. Режущий блок использует двойную ручку, что делает работу более гибкой и комфортной. На машине предусмотрено два регулируемых сиденья, пользователь может выбрать другое сиденье в зависимости от высоты туннеля; ЖК-дисплей отображает ряд динамических параметров и диагностику неисправностей. Горизонтально-расточной станок EBZ135L Блок Общий вес (кг) 0 Общая длина без дополнительного конвейера (мм) 8932 Общая ширина рампы 2800 Общая ширина Основная рама (мм) 2205 Общая высота Высшая точка режущей головки для горизонтальной укладки (мм) 1600 (мм) 1470 Максимальное телескопическое / нетелескопическое подрезание (мм) 295 станка (мм) 180 Высота сечения резки (мм) 4000 Ширина сечения 4842 Площадь Поперечное сечение (м²) 19. Высота гентри (мм) 370 Макс. / Экономическая прочность на сжатие при резке угольной петрографии (МПа) / 60 Возможность обновления (°) ± 18 Скорость движения (м / мин) 6 Минимальный радиус кривой – 0.13 Среднее напольное давление (МПа) 225 Общая установленная мощность (кВт) 135 (кВт) 75 Установленная мощность двигателя насоса (кВт) AC660 / 1140 Напряжение питания (В) 50 Частота линии (Гц) 38 Скорость вращения режущей головки (об / мин ) 38 Грузоподъемность (м³ / мин) Тип звездочки / 4. Ширина гусеницы (мм) 520 Ширина гусеницы (мм) – Натяжение и мгновенная блокировка цилиндров Давление водяного распыления (МПа) Внешнее распыление≥1.5; Внутреннее распыление≥3 Максимальный размер несъемных частей (мм) 3410 × 1380 × 1330 Макс. Несъемных частей масса (кг) 4700
,Буровая труба S135 для подземного бурения 0 (мм) 90 002 Общая высота Основная рама 0 мм)
4 0 Установлено мощность двигателя резки
32 00 тип
S135 бурильная труба для подземного бурения
Информация о компании:
Компания Wuxi Lushun Drilling Tools Co., Ltd. может производить все виды бурильных труб , корпус зонда с буровыми долотами, рифленый расширитель, расширитель ствола, расширитель резания, вертлюг, вспомогательная заставка, ползунок мужского и женского пола, сережка, скольжение корпуса, грязь система перемешивания и тд.
Мы можем предоставить эти продукты хорошего качества с помощью передовых технологий.
M Производственное оборудование:
Концевая осаживающая машина 800T, 8 комплектов токарно-винторезных станков с ЧПУ, 1 комплект автоматической дробеструйной машины, 2 комплекта оборудования для ультразвукового контроля и 1 комплект магнитно-детекторной машины.
Контроль качества:
Усовершенствованный центр обнаружения трещин с системой визуализации в реальном времени и одна лаборатория для спектрального анализа, твердости, прочности на разрыв, испытаний на текучесть и ударопрочность.
Основные параметры кованой бурильной трубы
Спецификация | Размер бурильной трубы | Нить | класс | мин. | Длина трубы изгиба 90 ° (м) | Макс. угол | Макс.% Уклон% / труба% | Крутящий момент | |||||
наружный диаметр трубы | Толщина трубы | Длина | Вес | OD швов | Большое пространство зажима штифтового и коробчатого шарниров (мм) | ||||||||
50 (2 “) | 50 | 6,5 | 2 | 20 | 57 | Pin: 110 | LS50 | S135 | 30 | 47. | 4,8 | 8,3 | 3 |
2,5 | 25 | Коробка: 175 | |||||||||||
60,3 (2 3/8 “) | 60,3 | 7,5 | 2 | 25,3 | 67 | Pin: 130 | LS60 | S135 | 33 | 51.8 | 5.2 | 9,1 | 6,3 |
3 | 37 | Коробка: 180 | |||||||||||
73 (2 7/8 “) | 73 | 8 | 3 | 45 | 80 | Pin: 120 | NC23 | S135 | 45 | 70. | 3,8 | 5 | 13 |
4 | 58 | Коробка: 180 | |||||||||||
73 (2 7/8 “) | 73 | 10 | 3 | 58 | 87 | Pin: 120 | NC23 | S135 | 51 | 80 | 4.5 | 7,8 | 16 |
4 | 78 | Коробка: 180 | |||||||||||
76 (3 “) | 76 | 10 | 3 | 58 | 87 | Pin: 100 | NC26 | S135 | 56 | 87 | 4. | 8 | 16,5 |
4 | 78 | Коробка: 190 | |||||||||||
83 (3 1/4 “) | 83 | 10 | 3 | 55 | 92 | Pin: 130 | D80 | S135 | 65 | 102.1 | 4 | 6,9 | 18 |
4,5 | 75 | Коробка: 190 | |||||||||||
89 (3 1/2 “) | 88,9 | 10 | 4,5 | 97 | 104 | Pin: 150 | D80 | S135 | 72 | 113 | 4. | 8,3 | 24 |
6 | 126 | Коробка: 230 | |||||||||||
Примечание: резьба и длина могут быть изготовлены в соответствии с требованиями заказчика.
Основной производственный процесс:
Finshed Продукты:
,сверлильный станок для цилиндров T8014a 380v 50hz 3 фазы
Мотоцикл сверлильный станок для цилиндров T8014A
Описание продукта
Особенности:
Сверлильный станок в основном используется для переточки цилиндров двигателей автомобильных мотоциклов и тракторов.
Надежная производительность, широкое использование, точность обработки высокая производительность.
Простое и гибкое управление
Хорошая жесткость, объем резки.
| ОСНОВНЫЕ ХАРАКТЕРИСТИКИ | ЕДИНИЦА | T8014A |
Макс. Глубина сверления | мм | 65-140 |
| Скорость шпинделя | мм | 250,380 |
| Подача шпинделя | мм / об | 0,11 |
| Быстрый сброс шпинделя | мм / мин | 636 |
| Напряжение | 220 В / 380 В | |
| Мощность двигателя | кВт | 0,25 / 0,37 |
| Скорость двигателя | об / мин | 1440 |
| Габаритные размеры | мм | 320x330x850 |
| Размеры упаковки | мм | 540x470x1030 |
| N.W / GW | кг | 62/92 |
Упаковка и отправка
| ДОПОЛНИТЕЛЬНО | |||||
| MFQ Серия хонинговальная головка | |||||
| 9292 Хонинговальная головка серии .MFQ с компактной рамой, | |||||
| 2. Широкий диапазон использования, диапазон хонингования – диам.25-170 мм | |||||
| 3. Машина может работать легко, отрегулировать размер вручную. | |||||
| 4. Это может сделать так, чтобы хонинговальная головка работала спокойно. | |||||
| Основные характеристики хонинговальной головки серии MFQ | |||||
| № | Модель | Диапазон (мм) | Размер песчаного блока | ||
| 1 | MFQ25 | 25-40 | 60x6x3.5 | ||
| 2 | MFQ40 | 40-62 | 80x8x6 | ||
| 3 | MFQ60 | 60-82 | 90x8x6 | ||
| MFQ80 | 80-120 | 120x10x8 | |||
| 5 | MFQ120 | 118-170 | 180x12x10 | ||
H. Хонинговальная головка серии HR | |||||
| Хонинговальная головка серии 1.H.HR с компактной рамой. | |||||
| 2. Машина может работать легко, ручная регулировка размера. | |||||
| 3. Имея широкий диапазон применения, диапазон хонингования составляет 39-200 | |||||
| Основные характеристики хонинговальной головки H.HR серия | |||||
| NO | Модель | Диапазон (мм) | Размер песчаного блока | ||
| 1 | HR41 | 39-66 | 8x6x80 | ||
| 2 | HR50 | 48-80 | 8x6x80 | ||
| 3 | HR70 | 66-125 | 13x12x100 | ||
| 4 | HR160 | 125-160 | 13×923 | 13x9x2300 | 5 | HR200 | 160-200 | 15x14x150 |
90 005
Похожие продукты
Почему выбирают нас?
FAQ:
Наш сертификат
Как нас найти
Мобильные и WhatsApp / WeChat
Моника Leung 0086-13751172502
Эхо Чен 0086-13570947534
Дженни Чен 0086-13502019054
Линда Вонг 0086-13802208266
,Настольный вертикально-сверлильный станок 2М112: технические характеристики, отзывы
2СС1М станок сверлильный настольный.
Назначение и область примененияСверлильный настольный станок 2СС1 изготавливался по ТУ 2-024-4345-83 с 1983 года.
Сверлильный настольный станок 2СС1м изготавливался по ТУ 2-024-5748706-002-88 с 1988 года.
Станок предназначен для сверления отверстий и нарезания резьбы в мелких деталях из чугуна, стали, цветных сплавов и неметаллических материалов в условиях промышленных предприятий, ремонтных и бытовых мастерских.
На станке 2сс1м возможно, также, фрезерование неметаллических материалов концевыми фрезами.
Основные технические характеристики сверлильного настольного станка 2сс1м
Изготовитель — Саратовский завод тяжелых зуборезных станков.
- Максимальный диаметр сверления: Ø 6 мм
- Наибольшая глубина сверления: 70 мм
- Наибольшая высота обрабатываемой детали, установленной на рабочем столе: 250 мм
- Пределы чисел оборотов шпинделя в минуту — (3 ступени) 600, 1000, 1600 об/мин
- Конец шпинделя — В16, наружный укороченный конус Морзе 2 по ГОСТ 9953
- Стандартный сверлильный патрон — Патрон 10-В16 или Патрон 13-В16 по ГОСТ 8522-79
- Мощность электродвигателя: 0,18 кВт
- Масса станка: 53 кг
Шпиндель станка 2СС1М получает 3-и скорости вращения от трехступенчатых шкивов привода, что обеспечивает свободный выбор скоростей резания в диапазоне от 600 до 1600 об/мин.
Конец шпинделя — наружный укороченный конус морзе КМ2, обозначение В16 по ГОСТ 9953 (Конусы инструментальные укороченные) — конус укороченный: D = 15,733 мм.
Укороченному конусу В16 соответствует сверлильный трехкулачковый патрон 10-го и 13-го типоразмера по ГОСТ 8522 (Патроны сверлильные трехкулачковые) с диапазоном зажима 1..10 мм и 1..13 мм соответственно.
Пример условного обозначения сверлильного 3-х кулачкового патрона, типоразмера 10, с присоединительным конусным отверстием В16:
Патрон 10-В16 ГОСТ 8522-79
Патрон 13-В16 ГОСТ 8522-79
Конус Морзе инструментальный укороченный
Конус инструментальный — Конус Морзе — одно из самых широко применяемых креплений инструмента. Был предложен Стивеном А. Морзе приблизительно в 1864 году.
Конус Морзе подразделяется на восемь размеров — от КМ0 до КМ7 (на английском: MT0-MT7, на немецком: MK0-MK7).
Стандарты на конус Морзе: ГОСТ 25557 (Конусы инструментальные. Основные размеры), ISO 296, DIN 228.
Конусы, изготовленные по дюймовым и метрическим стандартам, взаимозаменяемы во всём, кроме резьбы хвостовика.
Для многих применений длина конуса Морзе оказалась избыточной. Поэтому был введён стандарт на девять типоразмеров укороченных конусов Морзе (B7, B10, B12, B16, B18, B22, B24, B32, B45), эти размеры получены удалением более толстой части конуса. Цифра в обозначении короткого конуса — диаметр толстой части конуса в мм.
Российский стандарт на укороченные конуса ГОСТ 9953 Конусы инструментов укороченные.
Российский стандарт на сверлильные патроны ГОСТ 8522 Патроны сверлильные трехкулачковые.
Где D — диаметр конуса в основной плоскости.
Отсчет глубины сверления производится по лимбу, установленному на вале-шестерне. Цена деления лимба — 1 мм подачи сверла.
Конструкция натяжения ременной передачи позволяет быстро менять положение ремня на шкивах для получения нужной скорости резания.
Использование тумбы для установки станка дает возможность для сверления торцов длинных деталей, например валов.
Сверлильный станок 2СС1М позволяет выполнять следующие операции:
- сверление
- зенкерование
- развертывание
- рассверливание
Частота вращения шпинделя зависит от диаметра сверла, установленного в патрон:
- 1..5 мм — 1600 об/мин
- 5..7 мм — 1000 об/мин
- 7,5..13 мм — 600 об/мин
Сверление отверстий больше 6 мм производится с последующим рассверливанием.
С увеличением твердости обрабатываемого материала частота вращения должна быть снижена.
Общий вид сверлильного настольного станка 2СС1М
Фото сверлильного станка 2СС1М
Фото сверлильного станка 2СС1М
Фото сверлильного станка 2СС1М
Фото сверлильного станка 2СС1М
Фото сверлильного станка 2СС1М
Спецификация составных частей сверлильного станка 2СС1М
- Основание станка;
- Переключатель;
- Ременная передача;
- Электродвигатель;
- Траверса;
- Пиноль;
- Регулировочный болт;
- Рукоятка подачи шпинделя;
- Стойка;
- Вал-шестерня;
- Защитный кожух (ограждение электродигателя)
- Стол;
- Рукоятка зажима стола.

Шпиндельная бабка настольно-сверлильного станка 2СС1М
Основу шпиндельной бабки составляет чугунный корпус. В корпусе смонтированы шпиндельный узел, механизм натяжения ремня, местное освещение станка.
Сзади к бабке прикреплен электродвигатель.
Настройка и наладка настольно-сверлильного станка 2М112
Установка шкалы станка 2М112 на глубину сверления
- шкала
- указатель
- винт
- гайка
При сверлении отверстий на заданную глубину можно пользоваться упором. Поворотом штурвала следует довести сверло до поверхности обрабатываемого материала и засверлить его на глубину конусной заточки сверла. Затем поворотом гайки 4 установить указатель 2 в положение «0». Поворотом гайки 4 установить заданную глубину сверления.
Передвижение шпиндельной бабки настольно-сверлильного станка 2М112
Чтобы можно было перемещать шпиндельную бабку 9 по колонке 1 необходимо освободить рукоятку 2. Поворотом гайки 4 влево или вправо поднимаем или опускаем шпиндельную бабку 9.
Сверлильный станок 2М112 может быть настроен для сверления отверстий в длинных и крупных деталях, так как имеет возможность поворота шпиндельной бабки на 360° вокруг колонки.
Натяжение ремня сверлильного станка 2М112
По мере износа ремня происходит его растяжение. Для натяжения ремня предназначена рукоятка 2
Кинематическая схема сверлильного станка 2СС1М
Кинематическая схема сверлильного станка
Крутящий момент на шпинделе 1 возникает от электродвигателя 6 и передается через клиноременную передачу 5. Частота вращения шпинделя регулируется при помощи перестановки приводного ремня на соответствующую ступень ступенчатого шкива.
Перемещение пиноли 2 осуществляется рукояткой 3 через реечную передачу 4.
Настройка на сверление станка 2СС1М
Фрезерование паза в деревянном бруске на станке 2СС1М
Схема расположения подшипников станка 2СС1М
Спецификация чертежей изнашивающихся деталей настольно-сверлильного станка 2М112
| Обозначение детали | Наименование детали | Кол-во | Вес, кг | Материал |
2М112. 21.401 | Шпиндель | 1 | 0,7 | Сталь 40Х |
| 2М112.21 411 | Гайка | 1 | 0.068 | Сталь 45 |
| 2М112.21.418 | Рукоятка | 1 | 0,049 | Сталь 45 |
| 2М112.21.420 | Втулка | 1 | 0,05 | Сталь 45 |
| 2М112.21.416 | Пружина | 1 | 0,06 | Сталь 65Г |
| 2М112.21.403 | Втулка шлицевая | 1 | 0,15 | Сталь 40Х |
Втулка шлицевая 2М112-01-01-1
Материал: сталь 40Х ГОСТ 4543-71
Шпиндель 2М112-01-02-2
Материал: сталь 40Х ГОСТ 4543-71
Гайка 2М112-01-02-3
Материал: Сталь 45 ГОСТ1050-88
Покрытие – Хим.Окс.прм.
Пружина 2М112-01-08
Материал: Сталь65Г ГОСТ14959-79
Шпилька 2М112-01-04-1
Материал: Ст 3 ГОСТ 380-2005
Покрытие – Хим. Окс. прм.
Втулка 2М112-01-07
Материал: Ст3 ГОСТ 380-2005
Настройка станка и режим работы
Настройка на сверление производится следующим образом:
- пиноль со шпинделем 1 (рис.
5) и с закрепленным в патроне 2 сверлом 3 поднимите в крайнее верхнее положение - Подвижной стол 5 установите по высоте так, чтобы зазор между верхней плоскостью обрабатываемой детали 4 и концом сверла был не менее 5 мм
- При сверлении отверстий на заданную глубину необходимо пользоваться лимбом, установленным на вале-шестерне.
- Сверло подведите к поверхности обрабатываемой детали, после чего, поворачивая лимб против часовой стрелки (смотреть со стороны лимба), совместите деление «ноль» лимба с риской на станке.
- Цена одного деления лимба равна 1 мм подачи сверла.
Настройка необходимой частоты вращения инструмента производится перестановкой приводного ремня.
Рекомендуется следующая частота вращения в зависимости от диаметра сверла:
- Ø сверла до 5 мм — 1600 об/мин
- Ø сверла 5—7,5 мм — 1000 об/мин
- Ø сверла 7,5—13 мм — 600 об/мин
Сверление отверстий диаметром больше 6 мм производить последующим рассверливанием.
С увеличением твердости обрабатываемого материала частота вращения должна быть снижена.
При сверлении крупногабаритных деталей, установленных непосредственно на полу или подставке 2 (рис. 6), необходимо повернуть траверсу 1 на 90°.
Закрепив в патроне 1 (рис. 2) концевую фрезу 2 и на подвижном столе 5 упор 3, можно производить фрезерование паза в деревянном бруске 4, подавая вручную брусок вдоль упора на фрезу. Пиноль должна быть застопорена болтом 9 (рис. 2).
Внимание! Продолжительность непрерывной работы станка под нагрузкой не более 30 мин. Возобновление работы на станке возможно при остывании электродвигателя до температуры +50° С.
Сверлильный станок 2СС1М: характеристики
Со сверлением и фрезерованием небольшой партии заготовок успешно справится настольно-сверлильный станок 2СС1М. Агрегат выполняет сверлильную операцию в стальной заготовке, фрезерование неметаллов и точение древесины.
Рассчитан агрегат на бытовое использование и работы в единичном производстве.
Станок комплектуется токарным трехкулачковым патроном и прихватом с крепежным комплектом.
Токарный трехкулачковый патрон
Как опция прилагается приспособление, позволяющее вести токарную обработку.
Основные технические характеристики станка
Характеристики агрегата вполне стандартные:
| № п/п | Наименование параметра | Значение |
| 1 | Максимальный диаметр сверления в стали, мм | 6 |
| 2 | Максимальный размер рассверливания, мм | 13 |
| 3 | Предельное расстояние от зеркала стола до торца шпинделя, мм | 250 |
| 4 | Разметка отдаленности от основания до торца шпинделя, мм | 370 |
| 5 | Величина поворота рабочего стола, град | 360 |
| 6 | Максимальный сдвиг пиноли, мм | 70 |
| 7 | Вылет шпинделя от стойки, мм | 150 |
| 8 | Размер стола, Длина × Ширина, мм | 200×200 |
| 9 | Размер основания, Длина × Ширина, мм | 200×200 |
| 10 | Конус в шпинделе | Морзе В16 |
| 11 | Максимальный диаметр деревянной заготовки для токарной обработки, мм | 70 |
| 12 | Число ступеней оборотов шпинделя | 3 |
| 13 | Частота вращения в соответствии с диаметром сверления, об/мин | |
| до 5 мм | 1,6 тыс.![]() | |
| от 5 до 7,5 мм | 1 тыс. | |
| от 7,5 до 13 мм | 600 | |
| 14 | Габарит станка, Длина × Ширина × Высота, мм | 620×240×700 |
| 15 | Вес оборудования, кг | 52,5 |
Описание устройства
Сверлильный станок 2СС1М представляет собой вертикальную конструкцию для настольной установки с массивным основанием в виде плиты.
Устройство сверлильного станка
В опору плиты входит:
- Цилиндрическая стойка – на ней находится подвижный рабочий стол и траверса.
- Для фиксации стола предусмотрен механизм зажима с ручкой.
- Над рабочей зоной стола расположен пиноль, закрепленный в траверсе.
- Пиноль имеет возможность перемещения в вертикальной плоскости по реечной передаче. Пиноль опускается вращением рукоятки ручной подачи.
- В противоположной части траверсы станка 2СС1М установлен электродвигатель.
- Трехступенчатый шкив электродвигателя и пиноли соединяет ременная передача.

Регулировка оборотов вращения осуществляется за счет смещения клинового ремня на нужную ступень шкива. Сверху ременная передача закрыта защитным кожухом. На боковой стороне траверсы расположена кнопочная станция управления.
Подготовка станка к работе
Специалисту необходимо знать регламент по эксплуатации агрегата:
- За отверстия в основании станок закрепляется на верстаке или рабочем столе.
- В шпинделе с патроном зажимается сверло необходимого диаметра.
- Рукояткой пиноль отводится в крайнее верхнее положение.
- Обрабатываемая деталь устанавливается на столе и закрепляется прихватами или с помощью другой оснастки.
- Перемещением стола нужно установить зазор не менее 5 мм между верхней плоскостью детали и вершиной инструмента.
Перемещение инструмента при обработке контролируется по линейке лимба. Цена деления отсчетного устройства 1 мм, отметка соответствует величине перемещения инструмента на деталь.
Перед началом обработки следует соединить нуль лимба с отметкой на станке, вращением лимба против часовой стрелки.
Принцип работы электрической схемы
Питание станка 2СС1М происходит от сети напряжением 220 В. Род тока – переменный, однофазный, а частота тока 50 Гц.
После подключения к сети при полной готовности к работе следует нажать пусковую кнопку на панели управления. После подачи электричества срабатывает толчковый контакт включения пусковой обмотки, запускается рабочая обмотка электромотора.
В момент выключения кнопки размыкаются клеммы на контакторе, пусковой контур электродвигателя отключается.
Останов оборудования осуществляет стоповая красная кнопка. Она также необходима в аварийной ситуации и при непринужденном останове двигателя. Кнопка предотвращает поломку привода станка и травматизм станочника.
В сверлильном станке 2СС1М установлен электродвигатель с номинальной мощностью 0,18 кВт.
Электродвигатель с мощностью 0,18 кВт
Частота вращения вала двигателя 1420 об/мин.
Двигатель имеет II класс изделия с двойной изоляцией.
Рекомендации по обработке
Специалисты по работе с агрегатом советуют мастерам придерживаться нескольких правил:
- Выбор режимов обработки производится с учетом твердости и типа материала. Заготовки высокой твердости обрабатываются на низких оборотах.
- Крупногабаритные детали устанавливают на полу или подставке. Траверсу разворачивают в нужное положение.
- Фрезерование пазов выполняется при закрепленной пиноли. Заготовка устанавливается вдоль упора и подается вручную.
На токарной операции в пиноль устанавливается гребенка вместо патрона. В отверстие рабочего стола закрепляется вращающийся центр. Между ними располагается обрабатываемая деталь. Обработка ведется резцами с установкой специального приспособления.
Видео по теме: Ремонт сверлильного станка 2сс1м
promzn.ru
Электрооборудование и электрическая схема сверлильного станка 2СС1М
Электрическая схема сверлильного станка 2СС1М
Электропитание сверлильного станка 2СС1М ~220 Вольт.
Пуск станка осуществляется включением вилки Ш1 в сеть, напряжением 220 В и нажатием пусковой кнопки выключателя В 1.Во время нажатия кнопки выключателя В1, включается толчковый контакт, включающий пусковую обмотку ПО и рабочую обмотку РО электродвигателя.
После выключения кнопки выключателя В1, размыкается толчковый контакт, выключая пусковую обмотку ПО электродвигателя.
Для избегания выхода из строя рабочей обмотки двигателя при произвольной остановке, следует нажать на стоповую кнопку переключателя.
Электрооборудование настольно-сверлильного станка 2М112
- Электрооборудование сверлильного станка 2М112 рассчитано на питание от сети переменного трехфазного тока напряжением 380В, 50 Гц.
- В случае необходимости станок 2М112 с электрооборудованием может быть выполнен по особому заказу на напряжение 220В, 50 Гц.
- Пусковая и защитная аппаратура смонтированы в плите настольно-сверлильного станка 2М112.
Привод станка 2М112
- Для привода шпинделя (Д1) используется двигатель переменного тока тип 5АИ 71 А4 (0,55 кВт, 1500 об/мин.
) IM 3081
Блокировки 2М112
- При вращении двигателя (Д1) в одну сторону включение его в другую сторону невозможно.
Защита настольно-сверлильного станка 2М112
- Электрооборудование станка 2М112 защищается от коротких замыкании и перегрузок однополюсным автоматическим выключателем.
- Для предотвращения самозапуска электродвигателей применена нулевая защита с использованием контактов магнитных пускателей K1 и К2.
Принципиальная электрическая схема настольно-сверлильного станка 2М112
Спецификация покупного электрооборудования
| Обозначение по схеме | Наименование | Кол-во |
| QFI | Выключатель автоматический ВА47-2916А | 1 |
| КМ1, КМ2 | Контактор магнитный КМИ 11210 | 2 |
| М | Электродвигатель: | 1 |
| SB1 | Кнопка КЕ021 красн. | 1 |
| SB2 | Кнопка КЕ011 черн.![]() | 1 |
| SB3 | Кнопка КЕ011 черн. | 1 |
Указания по подключению и обслуживанию электрооборудования сверлильного станка 2М112
- Станок настольно-сверлильный 2М112 должен быть присоединен к общей системе заземления цеха с помощью специального болта, расположенного на плите станка. Заземление станка и эксплуатация его электрооборудования должны производиться в соответствии с требованиями «Правил технической эксплуатации и безопасности обслуживания электроустановок промпредприятий».
- При обслуживании, наладке и ремонте электрооборудования станка 2М112 необходимо руководствоваться установленными правилами техники безопасности при электромонтажных работах. Доступ к контактным частям электрических машин и аппаратов разрешается только после отключения станка от сети автоматическим выключателем.
- Рекомендуется сделать вначале пробный пуск сверлильного станка 2М112 на холостом ходу на всех скоростях последовательно, начиная с наименьших оборотов шпинделя.
В первый период после пуска станка не рекомендуется работать на максимальных оборотах шпинделя. - Для обеспечения длительной и безаварийной работы сверлильного станка 2М112 необходимо регулярно:
- очищать от пыли, электродвигатель, пусковую и защитную аппаратуру,
- очищать от нагара контакты,
- подтягивать по мере необходимости соединения проводов с аппаратурой.
Соблюдение вышеупомянутых правил обеспечит длительную бесперебойную работу сврерлильного станка 2М112 и безопасность обслуживающего персонала
Первоначальный пуск настольно-сверлильного станка 2М112
- Перед первоначальным пуском станка 2М112 должны быть выполнены все указания, изложенные в разделах «Электрооборудование станка» и «Система смазки», относящиеся к первоначальному пуску.
- Затем делается пробный пуск на холостом ходу на всех скоростях последовательно, начиная с наименьших оборотов шпинделя. Убедившись в нормальной работе всех механизмов станка, можно приступить к его эксплуатации.

- В первый период после пуска настольно-сверлильного станка 2М112 не рекомендуется работать на максимальных оборотах шпинделя.
Технические характеристики станка 2СС1М
| Наименование параметра | 2м112 | НС12А | 2СС1М |
| Основные параметры станка | |||
| Наибольший диаметр сверления, мм | 12 | 12 | 6 |
| Наибольший диаметр рассверливания, мм | 13 | ||
| Наименьшее и наибольшее расстояние от торца шпинделя до стола (основания) | 0…400 | 20..420 | 0..370 |
| Наименьшее и наибольшее расстояние от торца шпинделя до стола | нет | нет | 0..250 |
| Расстояние от оси вертикального шпинделя до направляющих стойки (вылет), мм | 190 | 185 | 150 |
| Рабочий стол | |||
| Ширина рабочей поверхности стола (основания), мм | 250 | 360 х 360 | 200 х 200 |
| Ширина рабочей поверхности стола, мм | нет | нет | 200 х 200 |
| Угол поворота рабочего стола, град | нет | нет | 360° |
| Число Т-образных пазов | 3 | 3 | 1 |
| Шпиндель | |||
| Наибольшее перемещение шпиндельной головки, мм | 300 | ||
| Ход гильзы шпинделя, мм | 100 | 100 | 70 |
| Частота вращения шпинделя, об/мин | 450, 800, 1400, 2500, 4500 | 450, 710, 1400, 2500, 4500 | 600, 1000, 1600 |
| Количество скоростей шпинделя | 5 | 5 | 3 |
| Конус шпинделя | Морзе В18 | Морзе В18 | Морзе В16 |
| Привод | |||
| Электродвигатель привода главного движения, кВт (об/мин) | 0,55 | 0,65 | 0,18 (1420) |
| Габарит и масса станка | |||
| Габариты станка (длина ширина высота), мм | 795 х 370 х 950 | 770 х 465 х 700 | 600 х 240 х 700 |
| Масса станка, кг | 120 | 121 | 53 |
Связанные ссылки
На этой странице вы можете найти описание и честные отзывы о станке ОПТИМУМ Б23Про, а также оставить своё мнение или отзыв о данной модели в комментариях.
Сверлильный станок 2М112: технические характеристики и отзывы
Параметры технического плана рассматриваемого оборудования приведены выше. Далее рассмотрим отзывы потребителей.
Как свидетельствуют отклики владельцев, данный инструмент, купленный в нормальном состоянии, вполне способен удовлетворить пожелания частных пользователей и небольших производственных предприятий. Несмотря на довольно большую массу и габариты, агрегат проявил себя преимущественно позитивно, особенно по сравнению с китайскими аналогами одной ценовой категории.
Более всего потребители отмечают надежность и практичность устройства, а также его ремонтопригодность. Пусть он слегка шумный и немного неудобен, однако рассчитан на многие поколения. При необходимости и аккуратной эксплуатации, подобный агрегат сможет проработать еще несколько десятков лет без особой модернизации.
Технические характеристики
| Электропитание | |
| Двигатель | 0,75 кВт ~50 Гц |
| Диаметр сверления | |
| Максимальный диаметр сверления в стали | 25 мм |
| Максимальный диаметр продолжительного сверления в стали | 20 мм |
| Конец шпинделя | |
| Конец шпинделя | МК 2 |
| Вылет оси шпинделя | 180 мм |
| Перемещение пиноли | 80 мм |
| Число оборотов | |
| Частота вращения шпинделя | 200 — 2440 об/мин |
| Количество скоростей | 12 |
| Сверлильный стол | |
| Размер стола | 280 х 245 мм |
| Размер Т-образных пазов | 12 мм |
| Максимальное расстояние от шпинделя до стола | 425 мм |
| Размер основания | 240 х 250 мм |
| Максимальное расстояние от шпинделя до основания | 618 мм |
| Габаритные размеры | |
| Диаметр колонны | ø 73 мм |
| Габаритные размеры | 654 х 330 х 1012 мм |
| Масса станка | 66 кг |
Особенности модели
Сверлильный станок Optimum B23Pro оснащен надежным долговечным электродвигателем, защищенным алюминиевым корпусом.
Двигатель имеет систему принудительного охлаждения. Плавному вращению шпинделя способствуют шлифованные шкивы, изготовленные из алюминия. Для безопасной работы оператора предусмотрен специальный защитный экран.
- Вертикальный настольный сверлильный станок профессиональной серии для производственных цехов и мастерских.
- Жесткая надежная конструкция.
- Шпиндель установлен на высокоточные шарикоподшипники.
- Высокая точность вращения шпинделя: радиальное биение менее 0,040 мм.
- Высокоточный быстросменный патрон в комплекте.
- Регулируемый упор глубины сверления.
- Правое / левое направление вращения шпинделя (при напряжении питания 380 В).
- Удобная, эргономичная рукоятка подачи пиноли.
- Высококачественные зубчатые приводные ремни GATES исключают проскальзывание и потерю мощности.
- Высокая плавность хода, обеспечиваемая шлифованными алюминиевыми шкивами.
- Тихий и производительный электродвигатель с алюминиевым корпусом и принудительным охлаждением.

- Точный рабочий стол с диагональными Т-образными пазами.
- Рабочий стол наклоняется на ±45° и вращается на 360°.
- Зубчатый механизм вертикального перемещения стола.
- Массивное большеразмерное основание с продольными пазами и ребрами жесткости.
- Удобная панель управления степени защиты IP54 с отдельной аварийной кнопкой.
- Большеразмерный защитный экран с конечным выключателем.
- Конечный выключатель кожуха ременной передачи.
- Качество, проверенное временем.
Устройство и управление
Основные комплектующие элементы агрегата:
- Рабочая колонная для перемещения бабки со шпинделем.
- Зажимное устройство.
- Привод с электрическим мотором.
- Подъемный узел шпиндельной бабки.
- Основание в виде столешницы.
- Защитный кожух привода механизма.
- Бабка шпиндельного типа.
- Натяжительный узел для контроля упругости ремней.
- Кронштейн для фиксации основания колонны.
Технические характеристики и особенности сверлильного станка 2М112 обуславливают наличие в конструкции следующих элементов контроля и управления:
- Рукоять механической подачи шпинделя.

- Ручку для натяжения ремней.
- Специальный регулируемый фиксатор шпиндельной бабки на рабочей колонне.
- Кнопки управления, которые посредством электропривода запускают и останавливают привод двигателя.
- Рукоятку крепления подмоторной площадки.
Производитель рассматриваемого оборудования предусмотрел установку основных деталей в литом корпусе из чугуна, что позволило обеспечить надежную защиту узлов от механической деформации. Для большей комфортности при работе со станком предусмотрена система освещения рабочей зоны обработки.
Свертка скоростной коробки 2х235 | Скачать чертежи, чертежи, блоки Autocad, 3D модели
- Русский
- Компас
- Машины
- Образовательный
Узнайте, как скачать этот материал
Telegram бот для поиска материалов Покупка чертежейПодпишитесь на получение информации о новых материалах:
t.
me/alldrawings vk.com/alldrawingsОписание
Свертка коробки скоростей станка 2н135
Содержание проекта
| 4_list_svertka.cdw
[
73 КБ
] |
Дополнительная информация
Чертежи
4_list_svertka.
cdw
Аналогичные материалы
Коробка скорости (свертка)
Конструкция коробки скоростей вертикально-сверлильного станка (на базе 2х235)
Свертка и разработка коробки передач
Свертка коробки передач
Модернизация привода главного движения на базе станка 2х235
Кинематическая схема станка 2х235 с капитальным ремонтом
Машина 2х235
Сборочный чертеж планетарного редуктора + деталировка (вал быстроходный, вал быстроходный в сборе, шестерня, проходная крышка, манжета)
Бесплатная загрузка на сегодня
Обновление через: 22 часа 28 минут
Курсовая работа по металлоконструкциям-Фермы, колонны, узлы
7 вариантов энергосбережения в многоквартирном доме
Коттеджные рисунки на немецком
Специализированная медицинская клиника
Прочие материалы
Комфортный дом для пожилых людей
FIC MY040/PY060 — версия 0.

радиус изгиба
1
7
7
8
Глубина сверления
Хонинговальная головка серии HR
21.401
5) и с закрепленным в патроне 2 сверлом 3 поднимите в крайнее верхнее положение

) IM 3081
В первый период после пуска станка не рекомендуется работать на максимальных оборотах шпинделя.

