Программа для намоточного станка
Документация и программы. Здесь представлены все версии программного обеспечения и сопроводительной технической документации всех исполнений станка СУН-1,8М и его предыдущей модификации СУН-1,8. Руководство по эксплуатации. Руководство по эксплуатации sun18ipXXX. Инструкция по программированию и работе. Программное обеспечние ПО станка совместимо в пределах соответствующих версий, например, совместимы программы версий от 4.
Поиск данных по Вашему запросу:
Схемы, справочники, даташиты:
Прайс-листы, цены:
Обсуждения, статьи, мануалы:
Дождитесь окончания поиска во всех базах.
По завершению появится ссылка для доступа к найденным материалам.
Содержание:
- Раскладчик намоточного станка
- Энциклопедия по машиностроению XXL
Самодельный намоточный станок. - Счетчик витков для намоточного станка.
- 11.1. Программное обеспечение
- Программа управления для намоточного станка с ЧПУ
- Намоточный станок
ПОСМОТРИТЕ ВИДЕО ПО ТЕМЕ: Часть V: Загрузка программ блока управления намоточным станком
Раскладчик намоточного станка
Нередко в производственной части по изготовлению электроники и других видов техники и оборудования необходимо использовать в рабочем процессе такое оборудование как трансформаторы, всевозможные дроссели, и здесь оказывается просто незаменим намоточный станок.
Данное устройство производит свою работу посредством обмоток, таким образом, в данной сфере работ необходимо задействовать оборудование для намотки, а именно намоточные станки. Не обходится без их применения сфера радиоэлектроники и техники. Стало быть использование станков для намотки становится достаточно частым в наши дни, когда технический прогресс во всю шагает по планете. Намоточные станки, сами по себе конструкции не очень сложные в работе, хотя и такие необходимые во многих отраслях.
Посредством работы намоточных станков происходит намотка электрических катушек. Конструкция данного устройства производит вращательные движения самого каркаса и оправки, что позволяет равномерно размещать провод по всей конструкции обмотки. Так же намоточный станок регистрирует число мотков, способен натягивать провода соответствующие пределам упругой деформации. Станки осуществляют свою работу двумя способами, а именно могут быть механизированными либо работать от немеханического привода.
Станок, который работает от немеханического привода, это довольно примитивный вид станочного оборудования, который практически осуществляет работу посредством ручного труда, либо управляется с помощью ножной педали. Как правило, данные станки не применяются на больших производствах, поскольку большого объема работ на таком оборудовании выполнить не получится.
Намоточные станки, которые работают на механическом приводе, выполняют более сложные виды обмоток, нежели станки, работающие от ручного привода. Данные устройства способны выполнять намотку рядового, тороидального и перекрестного видов. Работа станка для намотки катушек происходит посредством запуска электрического двигателя, который осуществляет вращение промежуточного вала путем запуска ременной передачи с двумя шкивами трехступенчатого вида.
На ременном валу расположена муфта фрикционного действия, которая осуществляет сцепление. Муфта начинает свою работу после включения рычага в вилку. Такой способ запуска дает возможность начать работу и выключить станок, без толчков, таким образом, предотвращая обрывы провода.
Далее посредством зубчатой пары начинает вращаться шпиндель с на котором закреплен каркас.
Уже посредством шпинделя происходит запуск виткового счетчика, и провода укладываются в витки специальной деталью, которая называется водилом. Станок может быть настроен на любую допустимую ширину намоток. Достигается это посредством регулировки винта. На сегодняшний день, в эпоху современных технологий широко стали использоваться намоточные станки, которые оснащаются цифровым оборудованием для контроля качества намотки.
А также устройствами, на которые крепятся изоляционные ленты. Такие станки работают автоматически, необходимо просто задать требуемую программу намотки. Намоточный станок весь процесс отработает сам, диспетчер просто будет отслеживать эффективность работы. Данные станки имеют функцию установки проводов по четырем позициям. Раскладчик производит намотку таким шагом, который задан программой.
У данных аппаратов имеется в арсенале запоминающее зарядное устройство, которое может сохранять все предыдущие заданные режимы и операции в блоке памяти, таким образом, не нужно каждый раз производит настройку и перепрограммирование намоточного станка, достаточно просто выбрать уже заданный режим.
Выбор моделей и модификаций намоточных станков на сегодняшний день является достаточно обширным, каждое предприятие и любой пользователь найдет оптимальное для себя решение.
Skip to content. Главная О компании Что мы производим? Разрешительная документация Новости компании. Намоточный станок. Применение и эксплуатация намоточного станка Посредством работы намоточных станков происходит намотка электрических катушек. Намоточный станок — характеристики Станок может быть настроен на любую допустимую ширину намоток. Вас так же может заинтересовать. Устройство и работа доменной печи Станок радиально сверлильный Гравировальные фрезерные станки Огнезадерживающие клапаны Магнитный сверлильный станок Штамповочный пресс
Энциклопедия по машиностроению XXL
После намотки нескольких десятков трансформаторов вручную, невольно возникает идея как нибудь автоматизировать этот процесс. Немного поразмыслив, возникла идея создать намоточный станок с микроконтроллерным управлением.
Порывшись в хламе, я нашёл шаговый двигатель, который когдато выдернул из лазерного принтера. Двигатель оказался 4-х фазным, х вольтовым, имеющим 44 шага на 1 оборот. На бумаге накидал схему, определился с количеством необходимых ног микроконтроллера, порывшись в интернете, заказал самый дешёвый PIC контроллер, подходивший моим нуждам, им оказался контроллер марки PIC16F Из навесных деталей только стабилизатор на 5В, ограничительные резисторы для индикатора и буфферный каскад для двигателя. Для отладки программы устройство было выполнено на монтажной плате, в качестве индикатора заиспользован индикатор с общим катодом от многофункционального телефона.
“Winding CommanderTM“ является специально разработанной программой для управления нашей серией намоточных станков. Компьютерная система .
Самодельный намоточный станок.
Данная программа предназначена для управления шаговыми двигателями намоточного станка. Программу можно скачать здесь. Данная программа имеет в себе 5 вкладок:.
В данной вкладке отображается код компьютера для данного ПК предназначенный для регистрации программы. Данная вкладка в комментариях не нуждается. В данной вкладке задаются параметры скорости вращения двигателей их передаточное отношение, а также имеется выбор режима намотки. В данной вкладке задается количество витков обмотки, размер окна катушки мм , диаметр провода мм , а также кнопки управления и отображение уже намотанного числа витков. Также имеется визуальный индикатор процесса намотки. Данные кнопки управляют двигателями в заданных направлениях.
Счетчик витков для намоточного станка.
Изобретение относится к раскладчику намоточного станка. Раскладчик намоточного станка содержит траверсу, закрепленную на станке параллельно оси вращения намоточного барабана и состоящую из ходового винта и направляющих. Раскладчик содержит каретку, установленную с возможностью реверсивного движения по траверсе и имеющую механизм порядной укладки витков, закрепленный на каретке и содержащий элемент фиксации наматываемого провода у поверхности намотки, и роликовое устройство подачи провода.
Каретка раскладчика выполнена в виде платформы, на которой закреплены роликовое устройство подачи провода, приемный шкив, мотор-редуктор и соединенный с ним механизм порядной укладки витков. Механизм порядной укладки витков имеет возможность углового поворота на оси выходного вала мотор-редуктора в плоскости вращения, перпендикулярной траверсе, и содержит шкивы сопровождения, линейный актуатор с управляемым подвижным штоком и манипулятор.
Нужна программа для удаленного управления компьютером, но не можете выбрать достойную? Мы представляем ТОП программ года.
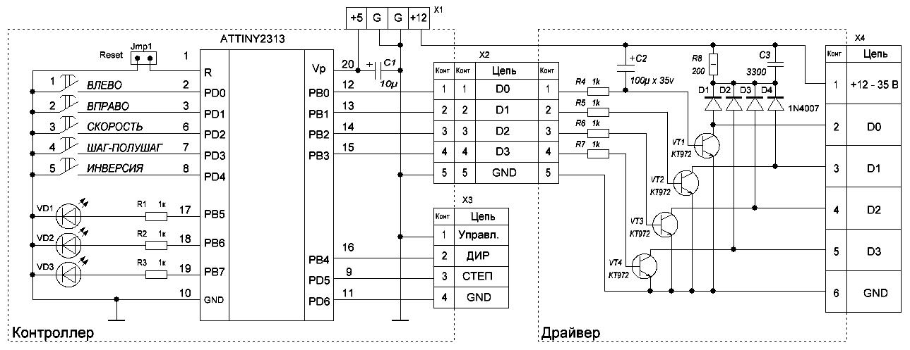
11.1. Программное обеспечение
Помощь – Поиск – Пользователи – Календарь. Полная версия этой страницы: Намоточный станок для трансформаторов. Всем большое приветствие, я первый день на форуме. Сходу же хочется совета умных людей. На производстве у нас используются на изготовлении и ремонте катушек трансформаторов в основном намоточные станки, где главнй привод асинхронник с энкодером, башка его тошибовские, на раскладчиках провода стоят обычные шаговики, которые дергаются по импульсам от главного привода покупные, стоят дорого, за что не очень ясно.
Сейчас начали делать несколько станков с двумя раскладчиками, импорт не тянем, а РФ не устраивает по возможностям, да и цена тянется к импорту.
Программа управления для намоточного станка с ЧПУ
Попробовал визард Coil winder Mach4 ни чего не понял, Правила форума. Правила Расширенный поиск. Показано с 1 по 4 из 4. Опции темы Версия для печати Отправить по электронной почте… Подписаться на эту тему…. Попробовал визард Coil winder Mach4 ни чего не понял, он вроде не доделаный.
“Winding CommanderTM“ является специально разработанной программой для управления нашей серией намоточных станков. Компьютерная система .
Намоточный станок
В первоначальном виде есть возможность регулировать скорость вращения при помощи педали, а так же есть хитрая система торможения. Регулировка оборотов была сделана на принципе смещения фазы. Торможение – откидывание релюхами питающего напряжения и подача на обмотки статора постоянки и замыкания между собой якоря. В голову приходит управление с помощью ШИМа.
Подробно с паспортами типовых станков можно ознакомиться по ссылке. Ниже приведены общие сведения по программированию процесса намотки. В нем оптимально сочетаются надежность силовых цепей и “интеллект” управляющего микропроцессора с простотой эксплуатации и управления. Блок управления позволяет выполнять намотку изделий в следующих режимах: режим ручного управления; режим автоматического управления; режим программного управления. Режимы управления легко сочетаются между собой, позволяя разрабатывать оптимальную технологию намотки самых разнообразных изделий. Сочетая автоматическое управление процессом намотки – качество намотки, с ручными операциями установки каркасов и заправки провода – простота использования различных каркасов и оправок, можно достигать невероятных результатов производительности и качества.
Нередко в производственной части по изготовлению электроники и других видов техники и оборудования необходимо использовать в рабочем процессе такое оборудование как трансформаторы, всевозможные дроссели, и здесь оказывается просто незаменим намоточный станок.
При разработке данного станка, ставились следующие задачи: 1. Малые габариты. Плавный старт шпинделя. Счётчик до витков Намотка с автоматической укладкой провода. Шаг укладки диаметр провода 0.
Forgot your password? Started by bubl leg , May 24, НУжно написать программку несложную для станка с ЧПУ – намоточного -для намотки катушек трансформаторных Сразу поясню-что станок делается для целей хобби и потому цена имеет решающее значение…Поэтому хотелось бы понять- посильно ли мне оплатить услуги написания такой программы у Вас!
Описание программы Trans_Stan
Описание программы Trans_Stan
Данная
программа предназначена для управления шаговыми двигателями намоточного станка.
Программу можно скачать здесь
Данная программа имеет в себе 5 вкладок:
- «Вход»
В данной вкладке отображается код компьютера для данного ПК предназначенный для регистрации программы.
(в папке с программой найдете генератор кода для запуска программы)
– «?»
Данная вкладка в комментариях не нуждается
– «Настройки»
В данной вкладке задаются параметры скорости вращения двигателей их передаточное отношение, а также имеется выбор режима намотки.
– «Послойная изоляция» – при установке данного режима программа автоматически будет останавливаться при прохождения одного ряда укладки для послойной изоляции, если данный пункт не выбран намотка будет продолжаться до тех порка не закончится намотка всех витков.
Внимание если используете послойную изоляцию не держите более
5 минут в режиме «Пауза» так как это приводит к сильному нагреву двигателей,
так как двигатели находятся в режиме удержания.
-«Плавный ход» – при установленном режиме двигатели укладчика и вала вращаются практически плавно, если данный режим отключен двигатели срабатываю по очереди т.е. вначале делает оборот вал потом смещается укладчик (режим ступеньки ускоряет намотку но витки могут укладывается не совсем ровно).
– «Пункты меню» – предназначены для сохранения настроек программы в файле и их загрузке если требуется.
-«Программный режим»
В данной вкладке задается количество витков обмотки, размер окна катушки (мм), диаметр провода (мм), а также кнопки управления и отображение уже намотанного числа витков. Также имеется визуальный индикатор процесса намотки.
-«Ручной режим»
В данной
вкладке имеется два блока «Вал» и «Укладчик» с расположенными на них парами
кнопок. Данные кнопки управляют двигателями в заданных направлениях. При
однократном нажатии двигатель делает 0,01 % от общего отношения шагов на оборот
двигателя.
Примечания:
Все вводимее числа водятся в положительном диапазоне исключение только для передаточного числа двигателей для изменения направления вращения данных двигателей.
Рузанов Андрей 09.2008
P.S. изначально программа предназначалась для платного распространения, но автор решил вам ее подарить (бесплатно), поэтому генератор кода вы найдете в папке с программой.
— Описание конструкции намоточного станка.
— Форум по данной теме (вопросы все сюда)
— Вернутся на главную.
Ветров Роман.
Уиндер, Джорджия: Жилищное управление Уиндера создает универсальный магазин в Центре общественного развития Уимберли
Главная >Примеры > Уиндер, Джорджия: Жилищное управление Уиндера создает единый центр в Центре общественного развития Уимберли Магазин в Wimberly Center for Community Development В 2014 году Управление жилищного строительства Уиндера (WHA) и местное правительство Уиндера, штат Джорджия, начали работу над планом преобразования пустующего школьного здания в центр общественных услуг, Wimberly Center for Community Development. В 2013 году компания Winder приняла свой план реконструкции города, в котором была определена область возрождения и подтверждено желание сообщества превратить пустующую среднюю школу в городском районе Гленвуд в общественный ресурс. В феврале 2016 года WHA приобрела собственность средней школы Уиндер-Барроу и прилегающий парк Осборн у совета по образованию за 1 миллион долларов. Используя комбинацию неограниченных средств, грантовых денег и пожертвований, WHA приступила к реконструкции одноэтажного здания площадью 76 000 квадратных футов стоимостью 1,5 миллиона долларов. Финансирование Wimberly Center WHA внесла наибольший финансовый вклад в расходы на развитие центра, используя часть доходов от продажи RAD для покупки земли и здания (таблица 1). Уиндер выделил 500 000 долларов в виде выделенных государством грантовых средств на развитие сообщества на ремонт помещений, используемых Клубом мальчиков и девочек и агентством общественных действий ACTION. Бригадир Seeley Fountain Architecture, подрядчик проекта, отложил 29 долларов.200 гонораров за проектные работы, выходящие за рамки первоначального объема проекта. Совет уполномоченных графства Джексон предоставил пожертвование, которое будет использовано для ремонта помещения для программы Piedmont CASA. Остальные 112 300 долларов США составили пожертвования от частных лиц, некоммерческих организаций и предприятий. Таблица 1: Центр финансирования общественного развития Уимберли Развитие Центра Уимберли С момента своего основания центр постоянно добавлял новые функции и налаживал новые партнерские отношения для предоставления более комплексных услуг населению. Хотя западное крыло школьного здания изначально было зарезервировано для доступного жилья для рабочей силы, WHA определила незадолго до того, как центр открыл этот код, и ограничения зонирования сделали такой проект неосуществимым. В 2017 году Агентство по охране окружающей среды США и Министерство сельского хозяйства США одобрили центр в качестве площадки для программы «Местные продукты, местные места», а ВАЗ запустила Wimberly’s Roots, некоммерческую организацию, занимающуюся производством продуктов питания, здоровой кулинарией и образованием в области питания. . Используя грант в размере 203 000 долларов США, выданный Региональной комиссией Аппалачей, WHA преобразовала кухню столовой в кухню общественного питания, преобразовала бывший медиацентр в демонстрационную кухню и разбила производственный сад площадью пол-акра. В Wimberly’s Roots на постоянной основе работают повар и садовник, которые с помощью волонтеров проводят занятия, организуют регулярный рынок продуктов и оказывают услуги общественного питания. В 2019 году национальный некоммерческий проект «ПОИСК» запустил программу профессионального обучения в центре для старшеклассников с ограниченными возможностями обучения. В 2020 учебном году центр принял четырех студентов Project SEARCH в качестве стажеров: двое на ремонтных должностях, один работает в бухгалтерии, а один студент работает на кухне и в саду. В программе работает штатный преподаватель, который занимается академическими исследованиями, и парапрофессионал, который помогает с торговыми навыками. Wimberly Center продолжает свою миссию В 2018 году центр Wimberly Center получил награду Национальной ассоциации чиновников за жилищное строительство и реконструкцию за выдающиеся достижения в области возрождения сообщества. Центр продолжает расти и меняться в соответствии с потребностями жителей Уиндера, с двумя изменениями на горизонте: Wimberly’s Roots строит детский образовательный сад на территории, а на соседнем участке Osbourne Park WHA планирует доступный 73-квартирный дом. Интервью с Мишель Йон, исполнительным директором Winder Housing Authority, 23 апреля 2020 г.; Бюро переписи населения США. 2020. «Краткие факты: Уиндер-Сити, Джорджия». По состоянию на 1 июня 2020 г. Управление жилищного строительства Winder. нд «О ВАЗ». По состоянию на 10 апреля 2020 г.; Интервью с Мишель Йон, 23 апреля 2020 г .; Уиндерское жилищное управление. нд «Уимберли Центр». По состоянию на 10 апреля 2020 г. Ашанти Райт. 2019. «Награды за выдающиеся достижения: Центр общественного развития Уимберли», Журнал жилищно-коммунального строительства , новости, 24 мая. Интервью с Мишель Йон, 23 апреля 2020 г.; Документы предоставлены Мишель Йон. Интервью с Мишель Йон, 23 апреля 2020 г. Интервью с Мишель Йон, 23 апреля 2020 г.; Корни Уимберли. нд “О.” По состоянию на 24 апреля 2020 г. Интервью с Мишель Йон, 23 апреля 2020 г. Ашанти Райт. 2019. «Награды за выдающиеся достижения: Центр общественного развития Уимберли», Journal of Housing & Community Development , новости, 24 мая. По состоянию на 10 апреля 2020 г.; Интервью с Мишель Йон, 23 апреля 2020 г. Насколько прочны детали, изготовленные с помощью X-Winder? В отличие от металла, который имеет одинаковые свойства во всех направлениях (изотропный), свойства намотанных материалов зависят от ориентации волокон в каждом слое, поэтому прочность зависит от способа и направления приложения нагрузки. Сколько стоят детали, изготовленные X-Winder? Вы можете рассчитывать на то, что за готовые детали X-Winder вам придется платить на 50–80 % меньше, чем за эквивалентную геометрическую деталь от коммерческого поставщика. Чем крупнее деталь, тем больше абсолютная экономия. Например, трубка из углеродного волокна длиной 6 футов и диаметром 3 дюйма (толщина стенки 0,060 дюйма) стоит около 300 долларов США (50 долларов США за фут); однако, если бы эта же труба была построена с помощью X-Winder, ей потребовалось бы 4 слоя и около 3600 футов углеродного волокна 6K (шириной 0,125 дюйма), которое стоит 60 долларов за 3750 футов. Добавьте около 4 долларов на клей и 1 доллар на электричество и абсолютная экономия составляет 300-65 долларов США = 235 долларов США или экономия примерно 78%. Какой длины деталь я могу построить? Вы можете создавать детали длиной до 20 футов и более. Чтобы снизить стоимость доставки X-Winder, мы не включаем длинные стержни в комплект X-Winder. Вам необходимо купить 3 длинных стержня одинаковой длины, один передний стержень для опор оправки и два задних стержня для опоры каретки. Какова максимальная ширина оправки? Чем больше диаметр оправки, тем больше крутящий момент двигателя требуется для вращения оправки. 2X-23 и 4X-23 могут наматывать оправку шириной (диаметром) примерно до 8 дюймов до того, как крутящий момент оправки станет проблемой. Как снять оправку? Где взять оправку? Могу ли я намотать вогнутую оправку? Могу ли я использовать оправку, напечатанную на 3D-принтере? Существуют два типа оправок: съемные или несъемные. Уборка грязная? Нет, просто очистите ролики, ванну для смолы и нагнетательную головку, и все готово. Смотрите актуальную очистку здесь. Насколько толстой (или тонкой) может быть толщина стенки? Мы производим детали толщиной до 0,25 дюйма (7 мм) или толщиной стенки 0,015 дюйма (0,40 мм). Можно ли заменить рулон нити в процессе намотки? Да, но вы вам нужно приостановить работу машины в конце одного из проходов, а не в середине детали, чтобы сохранить рисунок намотки неповрежденным. Распознает ли машина, когда у вас закончилась нить? придется следить за этим Можете ли вы намотать жгуты из препрега? Да – если препрег можно подавать с катушки через нагнетательную головку, то его можно наматывать на оправку. Могу ли я запрограммировать программное обеспечение на заказ? Работа с программным обеспечением описана в обучающем видео. Почему необходимо термоотверждение? Нет, но отверждение большинства эпоксидных клеев ускоряется под воздействием тепла. Тепловое отверждение помогает детали достичь максимальной прочности. Детали, которые отверждаются при температуре 50F (10C) или ниже, могут никогда не отверждаться должным образом. В порядке ли вход 220 В переменного тока? Да — блок питания X-Winder принимает входное напряжение 100–240 В переменного тока и выдает на выходе 24 В, 3 А. Включены ли инструкции по сборке? Да — сборка полностью задокументирована в Руководстве пользователя.
Центр округа Барроу, который расположен примерно в 50 милях к северо-востоку от Атланты, Уиндер — это город с населением около 17 000 человек, который долгое время боролся с бедностью, безработицей, отсутствием продовольственной безопасности и другими проблемами. В 2013 году WHA решила принять участие в программе HUD «Демонстрация помощи в аренде» (RAD), продав все свои единицы государственного жилья филиалам WHA и преобразовав их в субсидируемое жилье на основе проектов. Выручка от этой продажи позволила WHA приобрести бывшую собственность средней школы Уиндер-Барроу и преобразовать ее в Центр Уимберли, совместную операционную базу для нескольких крупных общественных программ, проводимых некоммерческими и государственными учреждениями. Центр служит центром сообщества, предоставляя образование, продовольственную безопасность, обогащение детей, профессиональное обучение и другие услуги по развитию сообщества примерно для 8000 человек в год и до 150 детей в день. Все под одной крышей
В том же году WHA продала весь свой портфель из 322 единиц государственного жилья в рамках программы RAD двум филиалам: Crescent Residential Properties of Winder и Innovation Crescent Residential Properties. WHA продолжает управлять подразделениями, которые теперь субсидируются за счет ваучерного контракта по Разделу 8, который необходимо продлевать на постоянной основе, и запускать программы поддержки для жителей. Новые владельцы могут улучшать и ремонтировать недвижимость, используя инструменты финансирования, традиционно недоступные для государственного жилья. Жилищное агентство давно было заинтересовано в создании «универсального магазина» услуг, объясняет исполнительный директор WHA Мишель Йон, но продажа его квартир через RAD, наконец, предоставила средства, необходимые для реализации проекта такого рода.
Школа, открывшаяся в 1951 году, пустовала всего три года. Центр Уимберли, названный в честь всеми любимого директора средней школы Уиндер-Барроу Роберта Уимберли, открылся в декабре 2016 года. Суд Пьемонта назначил специальные программы защиты детей (CASA), среду обитания человечества округа Барроу, Технический колледж Ланье и Курган грамотности взрослых. Жители Winder могут прийти в центр, чтобы получить немедленные направления для помощи во многих смежных областях, включая семейную самодостаточность, взрослое и непрерывное образование, а также наставничество и благополучие детей. Например, если житель, который приходит в центр, чтобы платить за аренду, выражает трудности с уходом за детьми после школы, сотрудники WHA могут немедленно отвести его в офис Клуба мальчиков и девочек, чтобы узнать о его программах. Различные агентства также выигрывают от совместного использования пространства, потому что их близость дает больше возможностей для сотрудничества и устранения избыточных услуг.
Эта схема является финансово осуществимой и для организаций: вместо того, чтобы взимать рыночные ставки за аренду, WHA следует модели Сети некоммерческих центров и рассчитывает вклад каждой организации на основе эксплуатационных расходов на их квадратные метры.
Жилищное управление Winder 1 000 000 долларов США Winder community development block grant 500,000 Jackson County Board of Commissioners 15,000 Deferred fees 29,200 Donations 112,300 Total $1,656,500
Вместо этого WHA превратила это крыло в классную комнату для Технического колледжа Ланье, который предлагает учебную программу, включающую английскую грамотность, гражданство и GED 9.0075 ® классы.
Услуги общественного питания, которые общественные организации, такие как Торговая палата, часто используют для обеспечения здорового питания для встреч, приносят доход для поддержки сада и его классов.
жилой комплекс для малоимущих пенсионеров. В 2019 году жилищному строительству престарелых были предоставлены федеральные налоговые льготы на жилье для малоимущих, и ожидается, что строительство начнется осенью 2020 года. Уже началось планирование пешеходной тропы, которая будет окружать 20 акров территории бывшей школы и парка, а также свяжите этот новый проект доступного жилья с Wimberly Center.
По состоянию на 10 апреля 2020 г.; Интервью с Мишель Йон, 23 апреля 2020 г .; Переписка Мишель Йон от 26 апреля и 11 мая 2020 г .; Историческое общество Джорджии. 2014. «Начальная и средняя школа Гленвуда». По состоянию на 10 апреля 2020 г.; Уиндерское жилищное управление. нд «Партнеры». По состоянию на 1 мая 2020 г. Часто задаваемые вопросы по X-Winder
Для деталей с сопоставимой геометрией, ориентацией нитей и составом волокон прочность изготовленных X-Winder деталей почти такая же, как у сопоставимых коммерчески доступных продуктов.
Вы можете сделать другие сравнения, используя 0,015 дюйма на слой и длину нити на слой, равную удвоенной площади поверхности детали, деленной на ширину нити. волокнистый жгут.
2-осевые оправки подробно описаны в обучающем видео. Здесь описаны 4-осевые оправки.
Вы можете индивидуально запрограммировать X-Winder, изменив G-код — на нашем канале YouTube есть несколько подобных примеров. Поскольку G-Code является отраслевым стандартом и представляет собой простой текстовый файл, любой может изменить программирование X-Winder. Также см. раздел «Для разработчиков: программирование/взлом», в котором описаны способы взаимодействия с X-Winder.
