Радиально-сверлильный станок 2К52: описание, технические характеристики
Станок 2К52 относится к типу переносных радиально-сверлильных станков. Подобное оборудование используется преимущественно для того, чтобы получать отверстия в стальных деталях или узлах с большими габаритными размерами, из-за которых изделие невозможно установить на рабочем столе обычной металлорежущей машины. Так возникла концепция мобильного станка, который можно вписать в любое жесткое плоское основание.
Оглавление:
- Описание
- Конструкция
- Размеры
- Технические параметры
Принцип действия
Радиально-сверлильный станок модели 2К52 принадлежит к относительно давним разработкам Одесского СКБ и Гомельского станкостроительного завода, который производил данное оборудование, начиная с 1961 г. Сейчас такой радиально-сверлильный станок можно купить преимущественно в состоянии б/у. Однако при должном техническом обслуживании, а также своевременно проводимых регламентно-восстановительных операциях точность и работоспособность подобных агрегатов сохраняется долгие годы.
Основная характеристика работы агрегата типа 2К52 заключается в том, что обрабатываемая деталь является неподвижной, в то время как шпиндель с режущим инструментом перемещается по необходимой траектории.
Кроме сверления, на таком радиально-сверлильном станке можно производить и другие схожие операции – развёртывание, зенкерование, цекование, внутреннее шлифование, нарезание резьбы. Для качественного развёртывания потребуется, однако, дополнительная проверка осевого биения шпинделя.
Высокой производительностью модель не отличается, однако при использовании ее в строительстве этого и не требуется, важнее оперативно просверлить нужные отверстия в любых местах заготовки или конструкции.
Кинематика передвижного радиально-сверлильного станка 2К52 характеризуется возможностью производить два основных действия: вращение инструмента и поступательное перемещение при подаче.
2К52 допускает следующие вспомогательные движения:
- Поворот траверсы по колонне;
- Изменение вертикального положения траверсы;
- Перемещение инструментальной головки по траверсе;
- Изменение скорости вращения шпинделя;
- Изменение скорости перемещения пиноли.
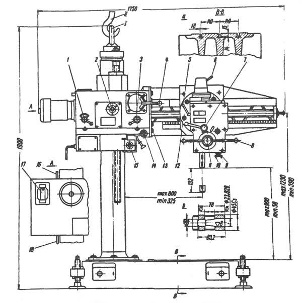
2К52 включает в себя:
- Фундаментную плиту с Т-образными пазами, оснащённую универсальными винтовыми креплениями.
- Коробку скоростей.
- Вертикальную колонну.
- Подвижную траверсу, в которой располагается инструментальная головка.
- Узел передвижения и фиксации траверсы.
- Узел передвижения и фиксации инструментальной головки.
- Шпиндель.
- Электродвигатель.
- Бак со смазывающе-охлаждающей жидкостью, который монтируется на опорной плите.

- Гидропривод системы охлаждения.
- Систему управления.
Массивная фундаментная плита изготавливается из высококачественного чугунного литья, в приливах которого предусмотрены полости для монтажа коробки передач и привода радиально-сверлильного станка. Органы управления установлены на переднем торце станины.
Технические параметры предусматривают движение инструментальной головки в специальном рукаве, который центрирует движение инструмента и защищает его от попадания стружки. Грубые перемещения выполняются при помощи штурвала, более точные – лимбами с делениями, передающие движение на червячную передачу.
Для облегчения вращения колонны предусмотрены упорные подшипники, а сама деталь представляет собой полую толстостенную трубу, внутри которой размещается привод системы охлаждения.
Взаимное положение рукава относительно шпинделя может изменяться посредством регулируемых прихватов. Это гарантирует правильное позиционирование 2К52 относительно обрабатываемой заготовки.
В схеме модели 2К52 имеется ряд предохранителей, которые предотвращают перегрузку оборудования по усилию резания и крутящему моменту.
Модель 2К52-1 отличается от базовой тем, что колонна станка снабжена электромеханическим механизмом фиксации, который используется при длительно выполняемых металлорежущих операциях. Привод полезен также при недостаточной жёсткости основания, на которое устанавливается 2К52. Кроме того, на данной модификации можно размещать дополнительный, вертикально расположенный стол.
Рабочее пространство зоны, где требуется развернуть или просверлить отверстие, ограничивается следующими размерами:
- При горизонтальном перемещении колонны – до 600 мм;
- При сверлении в вертикальном направлении – до 250 мм;
- Диапазон горизонтального перемещения инструментальной головки – 300-800 мм;
- Угловое перемещение рабочего инструмента — ±35°;
- Диапазон расстояний от торца инструмента при сверлении – 125-1000 мм.

Для того, чтобы сверлить наклонно расположенные несколько отверстий, используется штурвал, который фиксируется во время проведения технологической операции. Для удобства контроля за ходом производимых переходов на станке предусмотрено дежурное освещение зоны сверления лампой напряжением 24 В.
Характеристики 2К52:
- Мощность асинхронного реверсивного электродвигателя – 1,5 кВт.
- Число дискретно изменяемых скоростей вращения шпинделя – 6, от 63 до 1600 мин-1.
- Пределы подач – 0,125-0,315 мм/об.
- Подвод инструментальной головки – грубый, точный.
- Вращение рукава – 0-360°.
- Максимальный диаметр сверления – 25 мм.
- Наибольшая резьба, получаемая на станке – М16.
- Класс точности – Н по ГОСТ 8-77.
- Минимально достижимая шероховатость обрабатываемого контура – Rz.
При определении установочных габаритов при сверлении следует учитывать фактический угол поворота рукава. В этом случае минимальные размеры установочной базы составляют (в плане) 1434×2212 мм.
Приобрести б/у станок рассмотренного типоразмера лучше на специализированных предприятиях, и после соответственного обслуживания – проверки работоспособности всех управляющих цепей, подшипников, состояния баз крепления. Купить 2К52 целесообразно в комплекте с быстроизнашиваемыми деталями и специализированным монтажным инструментом.
Радиально-сверлильный станок 2К52: характеристики и паспорт
Радиально-сверлильный станок 2К52 легко повстречать на многих отечественных заводах. Агрегат качественно выполняет свои функции, имеет удобную конструкцию, а также справляется с обработкой деталей любой сложности.
Содержание
- Исторические факты
- Предназначение агрегата
- Как устроен станок?
- Отличия агрегата
Исторические факты
Производством такого устройства, как радиально-сверлильный станок 2К52 занимается Гомельский завод, а лавры конструктора и создателя имеет Одесское предприятие.
Гомельский завод занимается производством радиально-сверлильных станков 2К52
Подобные станки изготавливаются с 70-х годов ХХ века.
Предназначение агрегата
Все оборудование подобного типа предназначено для работы с большими по размеру заготовками, чье свободное передвижение по столу невозможно или занимает много времени.
Если еще сильнее углубиться в информацию о работе станка, то легко узнать, что его используют при производстве большого или малого количества деталей, особенно одинакового габаритного ряда. Подобная особенность позволяет легко выполнять типовые заказы за короткий срок.
На оборудование несложно выполнить следующие виды работ:
- сверление;
- процесс зенкерования;
- рассверливание;
- развертывание;
- нарезание резьбы.
Существует разновидность этого станка, она называется радиально-сверлильный станок 2К52-1. Различие этих двух агрегатов состоит в посадочных и второстепенных присоединительных базах.
Расположение этих частей позволяет расширить круг использования станка в производстве деталей небольших габаритов.
Как устроен станок?
Вот основные детали станка:
- основание;
- колонна;
- корпус;
- бочка рукав;
- головка для сверления;
- электрическое оборудование;
- каретка.
Каретка станка
На основание крепится корпус и рукав, а на торцевой части прикрепляется емкость для жидкости охлаждения.
Колонна являет собой большую трубу из стали, которая установлена в цоколе и прикреплена двумя подшипниками. Там же расположено электрооборудование и механизмы для зажима, стоит знать, что зажимы не входят в комплект с первоначальным оборудованием, их надо заказывать отдельно.
Отливка из чугуна плотной формы – это корпус, который является основной деталью для коробки скоростей. В нем также есть место для электрического оборудования.
Рукав прикрепляется к корпусной части посредством четырех прихватов. По направлению данной детали ходит каретка вместе с головкой для сверления.
Сама головка состоит из шпинделя, устройство для управления и короб для подач.
Шпиндель состоит из чугуна. Имеет большой диапазон для частоты сверления.
Отличия агрегата
К особенностям конструкции относятся:
- Легко выбирать модель с различными показателями энергии для подключения к сети: стандартная 220, промышленная 360 и нестандартная 600 вольт.
- Шпиндель вращается с широким диапазоном.
- Управление системой находится на лицевой стороне аппарата, это позволяет быстрее переключаться между различными опциями.

Технические характеристики агрегата:
- Масса равна 1 тонне 250 килограммам.
- Размеры: длина – 1 метр 76 сантиметров; ширина – 92 см; высота – 1 метр 96 сантиметров.
- Мощность основного двигателя для работы равна 1,5 квт.
- Система охлаждения работает от насоса, чья мощность равна 0,125 квт.
- У диаметра сверления есть предел, он равен 3,5 сантиметра.
- Шпиндельная головка смещается по рукаву в пределах 40–90 сантиметров.
- Вращается станок с частотой от 60 до 1,6 тыс. Оборотов в минуту.
- Скоростей для работы: 6.
- Количество ступеней рабочих подач равно 3.
- Стол для работы: 80 см в длину и 63 см в ширину.
Устройство редко ломается, поэтому ремонт является нечастым занятием. Агрегат легко подстраивается под габариты помещения, агрегат не требует особого освещения или вентиляции.
Для торможения и остановки шпиндельной головки используют механические компоненты.
Станок прост в использовании, несмотря на кажущуюся сложность.
Перед началом работы следует ознакомиться с инструкцией по использованию.
Видео по теме: Обзор радиально сверлильный 2К52
Продажа РАДИАЛЬНО-БУРОВОГО СТАНКОИМПОРТ МОД. 2К52-1 б/у и предлагает
бурение – Б/у станки
ЕМА
08754
Диаметр сверления стали с R = 45/50 мм 25
Диаметр резьбы стали M16x2
Расстояние между осью шпинделя и колонной макс./мин. мм 800/300
Расстояние между носиком шпинделя и основанием мм 1000
Расстояние между шпинделем нос и стол мм 125
Максимальный вертикальный ход руки над колонной 625 мм
Максимальный ход головы на руке 500 мм
Ход шпинделя 250 мм
Отверстие шпинделя Cono Morse 3
Полезная поверхность основания (длина x ширина) мм 800×630
Ширина Т-образных пазов на основании мм 18
Расстояние между Т-образными пазами 160 мм
Количество Т-образных пазов 3
Диапазон скоростей вращения шпинделя 8
Скорость вращения шпинделя мин.
/макс. об/мин 63/1600 Мощность главного двигателя кВт 1,5
Габаритные размеры ок. 1760×9 мм15×1970
Вес ок. 1250 кг
КОМПЛЕКТУЕТСЯ:
-Куб мм 500x400x350
Б/У МАШИНА
ИЗОБРАЖЕНИЯ:
« Назад
DRILLING SENSITIVO
3
43
4 08799 высокая скорость
максимальная скорость вращения 18.800 об/мин
Б/У МАШИНА
Нажмите, чтобы увидеть подробности
09284
ПРИЗМАТИЧЕСКИЕ НАПРАВЛЯЮЩИЕ
Диаметр сверления стали мм 50
Диаметр сверления по чугуну мм 60
Длина…
Нажмите, чтобы увидеть подробности
сверлильный станок TRP 3500
07295
Диаметр сверления мм 120
Длина рычага мм 3500
Вертикальное перемещение мм 1430
Макс.
Per poter procedere, la prima volta devi inserire i Tuoi dati
Имя*:
Фамилия*:
Электронная почта*:
Название компании*:
Адрес*:
Город*: Пров.
*:
…AgrigentoAlessandriaAnconaAostaArezzoAscoli PicenoAstiAvellinoBariBarletta-Andria-TraniBellunoBeneventoBergamoBiellaBolognaBolzanoBresciaBrindisiCagliariCaltanissettaCampobassoCasertaCataniaCatanzaroChietiComoCosenzaCremonaCrotoneCuneoEnnaFermoFerraraFirenzeFoggiaForlì-CesenaFrosinoneGenovaGoriziaGrossetoImperiaIserniaL’AquilaLa speziaLatinaLecceLeccoLivornoLodiLuccaMacerataMantovaMassa e CarraraMateraMessinaMilanoModenaMonza e della BrianzaNapoliNovaraNuoroOristanoPadovaPalermoParmaPaviaPerugiaPesaro e UrbinoPescaraPiacenzaPisaPistoiaPordenonePotenzaPratoRagusaRavennaReggio CalabriaReggio EmiliaRietiRiminiRomaRovigoSalernoSassariSavonaSienaSiracusaSondrioSud SardegnaTarantoTeramoTerniTorinoTrapaniTrentoTrevisoTriesteUdineVareseVeneziaVerbano Cusio OssolaVercelliVeronaVibo ValentiaVicenzaViterbo
Телефон*:
Категории*: агенты по станкостроению агенты по станкостроениюпомощь-капитальный ремонт станковcncasaincance-капитальный ремонт запасных частей для станковпомощь-капитальный ремонт станков различныхплотницкие легкиеплотничные тяжелыеплотничные столярные пескоструйная обработкадилерские инструментыдилерские аксессуарыдилерские инструментыстолярный дилерстолярные изделия из дерева литейный литейный заводмеханические работы производитель сельскохозяйственной техникимеханические работы пресс-формымеханические работы турнингмеханические работы зубчатые механические работы большие размерымеханические работы мелкие размерычастный частныйшлифованиешлифованиеформование – литье под давлением литье под давлением – штамповкаформование – холодное литье под давлениемформование – литье под давлениемобработка поверхностиобработка очисткапокраскаокраска
Конфиденциальность*:
Я прочитал и принимаю политику конфиденциальности и условия*
ПОДПИСАТЬСЯ НА НАШУ НОВОСТНУЮ БЮЛЛЕТЕНЬ
Я даю согласие на использование адреса электронной почты компанией Bentivoglio macchine utensili srl и связанными службами для получения информации о новостях и акции.
▷ Радиально-сверлильные станки с длиной руки 0-999мм б/у на продажу (29Машины) »Machineseker
Основная категория:
Metal Processing Machinery (32,951)
Коммерческие транспортные средства (31,393)
Деревянная машина (11,310)
Provulsion. Технологии промышленной автоматизации (7 359)
Вилочные погрузчики и грузовые автомобили (7 036)
Строительная техника (6 774)
Производительный механизм (5458)
ПЕЧАТНАЯ МАКАЙНАЯ (4 476)
Воздушные компрессоры и пневматическое оборудование (2949)
. Процесс (2 949)
. ПНЕЕМСКОЕ ПРОФЕССА (2 949)
.
Энергетическое оборудование и электроснабжение (2 008)
Оборудование для сбора и переработки отходов (1 892)
Упаковочное оборудование (1 606)
Показ Меньше
Покажите больше
Подкатегория:
буровые машины и буринные мельницы (1597)
Махал.
)
Токарные станки (3 455)
Сварочные машины и режущее оборудование (2 592)
Шлифовальные станки (2 437)
9010 (2210)
Прессы (2 044)
Нарушение металлов (1,779)
Вертикальные Центры обработки (1,313)
ДРУГИЕ МАКАННЫЕ МАКАННЫЕ МАКАНЕР (1,313)
. ДРУГИЕ МАКАННЫЕ МАШИНГИИ (1,313)
. (608)
Измерительные машины (564)
Электроэрозионные станки (ЭЭО) (414)
Обрабатывающие центры (горизонтальные) (386)
Show less
Show more
2nd subcategory:
Radial drilling machines 0-999mm arm length (29)
Pillar drilling machines 30-39mm bore capacity (187)
Accessories and spare детали (113)
Прочие сверлильные станки и расточные станки (111)
Сверлильно-фрезерные (98)
Станки бурильные 40-49 мм (97)
Мультиспиндные бурильные машины (84)
Радиальные бурные машины 1300-1999 мм Длина рычага (76)
СВОЙСТВЕННЫЕ СВОЙСТВИЯ.



