Самоделка из прошлого – регулятор “температуры” паяльника (China free:)
“… В то время, когда деревья были большими”, а руки выпускника радиотехнического училища совсем кривые, и было изготовлено это устройство.Не уверен, что на сегодня его изготовление все так же актуально — сейчас продаются готовые реализации этой схемы в ОФФ магазинах и на просторах интернета, однако, в этом году ему исполняется 30 лет!
А это уже не шутки, и можно сказать юбилей 😉
Использую его, хоть и изредка, но до сих пор — как минимум испытание временем пройдено вполне успешно 😉
Этот мой пост, конечно, в некоторой степени шутка — эдакий небольшой экскурс в прошлое.
Самоделка случайно попалась на глаза, вспомнил сколько ей лет, не смог устоять, не вспомнить один из моих самых первых, небольшой DIY :).
В те далекие времена подобное нельзя было купить в магазинах, никто из моих знакомых не знал слово «интернет» и уж тем более алиэкспресс, а народным паяльником (который еще и поискать пришлось бы) был вот такой ЭПСНА паять, в это доброе время, было много чего- начиная от всякого рода ремонтов магнитофонов и телевизоров, и заканчивая ДУ для ТВ, дверными звонками с мелодиями и наконец «Синклерами»!
Собственно для него и было изготовлено описываемое устройство.![]()
Все побывавшие у меня в руках паяльники этой модели, имели довольно значительный перегрев- паять было относительно не комфортно, а жало быстро обгорало и теряло свою форму.
Последние, правда сказать, чаще паял уже другими паяльниками — жалко было гробить РУ5-РУ6, да и более дешевые (но не менее дефицитные на тот момент) микросхемы, был печальный опыт.
Посмотрим, что же смог собрать 30 лет назад, вчерашний курсант не имеющий навыков пайки и практики сборки самодельных устройств 🙂
Я специально это подчеркнул — не ругайтесь слишком сильно! Делалось давно, но живо и работоспособно до сих пор- на мой взгляд это главное! 😉Схему тогда нашел в одной прекрасной книжке, которая сохранилась у меня до наших дней — на тот момент была одной из любимых, ну ОЧЕНЬ интересной казалась, с кучей разнообразных схем и поделок, перечитывал ее регулярно.
Книжка переведена с польского, поэтому частенько приходилось подбирать отечественные аналоги деталей. Для начинающего радиолюбителя это было, в некотором роде, проблемой.
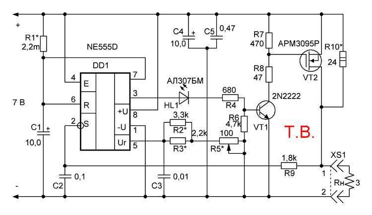
Назначение схемы в книжке несколько иное, но я предположил, что таким образом можно
Схема была собрана
Попался под руку корпус от какого-то блока питания (от чего он был вспомнить уже невозможно). В нем были прорезаны необходимые отверстия, закреплены клеммы, снятые со старой аппаратуры.
Снаружи все получилось симпатичнее, но все равно возраст берет свое 🙂
В качестве индикации неонка.
Светодиоды тогда были относительно дефицитным товаром, и кроме серий 307 и 102 я других и не встречал, а неоновая лампочка, даже «цветная» была в относительной доступности.
Она довольно неплохо прижилась в корпусе и, к тому же, именно по ее яркости свечения производится настройка «температуры паяльника» — опытным путем была установлена яркость свечения лампы, для оптимальной температуры. Режим довольно легко было запомнить, лампа горит в пол накала и слегка мерцает — вот в таком режиме и использовал устройство много лет.
Работу схемы посмотрим уже современным, DSO FNIRSI PRO
Видно, как при вращении ручки меняется форма сигнала- изменяется и «температура» паяльника 😉
Напряжение 6в, потому что используется доработанный осциллограф — получаем делитель на 100.При использовании заводского варианта измерения сигнал заметно искажается (да и напряжение тоже), да еще и синхронизацию подрывает, так что описанная в ссылке доработка DSO FNIRSI PRO вполне себе оправдана
ниже пример сигнала с заводской схемой
Вот такая «сладкая парочка» отмечает свои 30 лет!
Уже позже, из-за лени, перешел на импульсные варианты паяльников — именно по моей работе это вполне удачный вариант (мобильность, быстрота нагрева).
Работа с «мелкоэлементами» типа SMD мне и сейчас практически не встречается, поэтому иногда и сейчас достаю этот раритет ;).
Несколько раз появлялась необходимость именно в диммере — тогда использовал схему по ее прямому назначению, все выдержала!
Вполне согласен, что симистор подошел бы лучше, но не забывайте — это был 1989 год, радиодеталей тогда в свободной продаже практически не было, да и в книжке использовался именно тиристор.Итого:Схема отработала 30 лет, без замечаний и неисправностей!
К тому же, тогда у меня был доступ к халявным тиристорам 201-202 серий, это было решающим фактором.
Да и, честно сказать, на момент создания этой самоделки, скорее всего о симисторах я практически ничего не знал 🙂
Китая в схеме нет совсем 🙂
Всем удачи и хорошего настроения! ☕
Собираем регулятор мощности для паяльника своими руками из того что есть
Температура жала паяльника зависит от многих факторов.
- Входного напряжения сети, которое не всегда стабильно;
- Рассеивания тепла в массивных проводах или контактах, на которых производится пайка;
- Температуры окружающего воздуха.
Для качественной работы требуется поддерживать тепловую мощность паяльника на определенном уровне. В продаже есть большой выбор электроприборов с регулятором температуры, однако стоимость таких устройств достаточно высокая.
Еще более продвинутыми являются паяльные станции. В таких комплексах расположен мощный блок питания, при помощи которого можно контролировать температуру и мощность в широких пределах.
Цена соответствует функциональности.
А что делать, если паяльник уже имеется, и покупать новый с регулятором не хочется? Ответ простой – если вы умеете пользоваться паяльником, сможете изготовить и дополнение к нему.
Эта тема давно освоена радиолюбителями, которые как никто другой заинтересованы в качественном инструменте для паяния. Предлагаем вам несколько популярных решений с электросхемами и порядком сборки.
Двухступенчатый регулятор мощности
Такая схема работает на устройствах с питанием от сети переменного напряжения 220 вольт. В разрыв цепи одного из питающих проводников, параллельно друг другу подключается диод и выключатель. Когда контакты выключателя замкнуты – паяльник запитан в стандартном режиме.
При размыкании – ток проходит через диод. Ели вы знакомы с принципом протекания переменного тока – работа устройства будет понятно. Диод, пропуская ток лишь в одном направлении – отсекает каждый второй полупериод, понижая напряжение вдвое. Соответственно, в два раза снижается мощность паяльника.
В основном, такой режим питания используется при длительных паузах во время работы. Паяльник находится в дежурном режиме, и наконечник не сильно охлаждается. Для приведения температуры к 100% значению, включаем тумблер – и через несколько секунд можно продолжать пайку. При снижении нагрева меньше окисляется медное жало, продлевая срок службы прибора.
Двухрежимная схема на маломощном тиристоре
Данный регулятор напряжения для паяльника подходит к маломощным устройствам, не более 40 Вт.
Дли силового управления, используется тиристор КУ101Е (на схеме – VS2). Несмотря на компактные размеры и отсутствие принудительного охлаждения – он практически не греется в любом режиме.
Тиристором управляет схема из переменного резистора R4 (использован обычный СП-04 сопротивлением до 47К) и конденсатора С2 (электролит 22мф).
Принцип работы следующий:
- Режим ожидания. Резистор R4 выставлен не максимальное сопротивление, тиристор VS2 закрыт. Питание паяльника осуществляется через диод VD4 (КД209), снижая напряжение до 110 вольт;
- Рабочий режим с регулировкой. В среднем положении резистора R4, тиристор VS2 начинает открываться, частично пропуская через себя ток. Переход в рабочий режим контролируется с помощью индикатора VD6, который зажигается при напряжении на выходе регулятора 150 вольт.
Далее можно плавно поднимать мощность, увеличивая напряжение до 220 вольт.
Печатную плату изготавливаем по размеру корпуса регулятора. В предложенном варианте использован корпус от зарядного устройства для мобильника.
Компоновка очень простая, можно разместить в корпусе меньшего размера. Никакой вентиляции не требуется, радиокомпоненты практически не греются.
Собираем устройство в корпусе, ручку резистора выводим наружу.
Классический советский 40 ваттный паяльник легко превращается в паяльную станцию, которая работает устойчивей, чем все китайские аналоги.
Регулятор мощности на симисторе
Вариант так же относится к простым схемам, рассчитанным на приборы небольшой мощности. Собственно, регулируемый паяльник, как правило, нужен для работы с микросхемами или SMD компонентами. А в этом случае большая мощность будет излишней.
Схемное решение позволяет плавно регулировать напряжение практически от нуля до максимального значения. Речь идет о 220 вольтах. Силовым управляющим элементом служит тиристор VS1 (КУ208Г). Элемент HL-1 (МН13) придает графику управления линейную форму и выступает в роли индикатора. Набор резисторов: R1 — 220k, R2 — 1k, R3 — 300Ом.
Конденсатор С1 – 0,1мк.
Схема на мощном тиристоре
Если требуется подключить к регулятору мощный паяльник, силовой блок-схемы собирается на тиристоре КУ202Н. При нагрузке до 100Вт охлаждение ему не требуется, поэтому усложнять конструкцию радиатором не придется.
Схема собрана на доступной элементной базе, детали могут просто быть в ваших запасниках.
Принцип работы:
С анода тиристора VS1 снимается напряжение питания паяльника. Собственно это и есть регулируемый параметр, контролирующий температуру. Схема управления тиристором реализована на транзисторах VT1 и VT2. Питание управляющего модуля осуществляет стабилитрон VD1 вместе с ограничительным резистором R5.
Выходное напряжение блока управления регулируется с помощью переменного резистора R2, который собственно и задает параметры мощности подключенного паяльника.
В закрытом состоянии тиристор VS1 не пропускает ток, и паяльник не греется. При вращении управляющего резистора R2 блок питания выдает все большее управляющее напряжение, открывая тиристор.
Схема монтажа состоит из двух частей.
Блок управления удобнее собрать на протравленной плате, чтобы его микрокомпоненты были сгруппированы без проводного соединения.
А вот силовой модуль из тиристора и его обслуживающих элементов располагаются отдельно, равномерно распределяясь по корпусу.
«На коленке» собранная схема выглядит так:
Перед упаковкой в корпус, проверяем работоспособность при помощи мультиметра.
ВАЖНО! Проверка выполняется под нагрузкой, то есть с подключенным паяльником.
При вращении резистора R2 напряжение на входе в паяльник должно плавно изменяться. Схема помещается в корпусе накладной розетки, что делает конструкцию очень удобной.
ВАЖНО! Необходимо надежно изолировать компоненты термоусадочной трубкой, для предотвращения замыкания в корпусе – розетке.
Дно розетки закрывается подходящей крышкой. Идеальный вариант – не просто накладная, а герметичная уличная розетка. В данном случае выбран первый вариант.
Получается своеобразный удлинитель с регулятором мощности. Пользоваться им очень удобно, на паяльнике нет никаких лишних приспособлений, и ручка регулятора всегда под рукой.
Регулятор на микроконтроллере
Если вы считаете себя продвинутым радиолюбителем, можно собрать достойный лучших промышленных образцов, регулятор напряжения с цифровой индикацией. Конструкция представляет собой полноценную паяльную станцию с двумя выходными напряжениями – фиксированным 12 вольт и регулируемым 0-220 вольт.
Низковольтный блок реализован на трансформаторе с выпрямителем, и особой сложности в изготовлении не представляет.
ВАЖНО! При изготовлении блоков питания с разными уровнями напряжения, обязательно установите несовместимые между собой розетки. Иначе можно вывести из строя низковольтный паяльник, по ошибке подключив его к выходу 220 вольт.
Блок управления переменной величиной напряжения выполнен на контроллере PIC16F628A.
Подробности схемы и перечисление элементной базы ни к чему, все видно на схеме.
Силовое управление выполнено на симисторе ВТ 136 600. Управление подачей мощности реализовано с помощью кнопок, количество градаций – 10. Уровень мощности от 0 до 9 показывается на индикаторе, который также подключен к контроллеру.
Генератор тактов подает импульсы на контроллер с частотой 4 МГц, это и есть скорость работы программы управления. Поэтому контроллер моментально реагирует на изменение входного напряжения, и стабилизирует выходное.
Схема собирается на монтажной плате, на весу или картонке такое устройство не спаять.
Монтаж двусторонний.
Для удобства станцию можно собрать в корпусе для радиоподелок, или в любом другом, подходящего размера.
В целях безопасности, розетки на 12 и 220 вольт размещаются на разных стенках корпуса. Получилось надежно и безопасно. Такие системы отработаны многими радиолюбителями и доказали свою работоспособность.
Как видно из материала, можно самостоятельно изготовить регулируемый паяльник с любыми возможностями и на любой кошелек.
Собери сам — совместимая паяльная станция Hakko T12
Одним из основных навыков, необходимых любителю электроники, является умение паять. Для этой цели вам понадобится обычный паяльник, который обычно имеет номинальную мощность 20-30 Вт или около того, что подходит для большинства работ. Но если вы действительно серьезно интересуетесь электроникой, рано или поздно вам понадобится паяльник с регулируемой температурой
. Обычные паяльники не имеют какой-либо регулировки температуры. У этого вида утюга нет термостата, поэтому он всегда включен. Вот почему он горячий на ощупь, а также почему он не может хорошо нагревать вещи: если бы у него была хоть какая-то сила, он бы сгорел, потому что он все время включен! Наконечник остается более горячим, чем должен быть (поэтому он не остывает слишком быстро, когда вы наносите припой), поэтому припой на наконечнике быстро окисляется. Это приводит к плохой теплопроводности, что затрудняет пайку. И когда вы наносите припой, наконечник быстро остывает и может не иметь достаточной теплоемкости, чтобы нагреть печатную плату достаточно, чтобы сделать хорошее паяное соединение, если вы не держите его там в течение длительного времени.
Утюг с регулируемой температурой имеет термостат, который отключает нагреватель при достижении выбранной температуры. Это означает, что он может иметь более мощный нагревательный элемент, поэтому он быстрее нагревает вещи. Когда утюг не используется, элемент включается ровно настолько, чтобы поддерживать заданную температуру и не перегревается, сохраняя лучшую поверхность наконечника. Кроме того, вы можете установить температуру в соответствии с типом используемого припоя (более высокая температура для бессвинцового припоя), уменьшить ее для пайки деликатных или термочувствительных деталей или повысить ее для работы с большими или теплопроводными клеммами. Имейте в виду, однако, что некоторые утюги могут выглядеть как регулируемые по температуре, когда они только «регулируются» — у них есть ручка управления, которая просто регулирует мощность элемента. Поскольку они открытые, температура на самом деле не контролируется вообще.
Определенно, эта сложная функция будет стоить вам дороже.
Хотя это того стоит, существуют более дешевые китайские клоны паяльной станции Hakko T-12, которые можно купить на eBay или Aliexpress. Вы можете купить этот паяльник в корпусе или без, с блоком питания или без, в комплекте или в собранном виде. Хорошие вещи в том, что
- быстрый нагрев,
- автоматический спящий режим,
- взяться за железную ручку, чтобы разбудить контроллер,
- получить более высокую температуру нажатием энкодера, а
- наконечник T-12 кажется подлинным, и для него есть множество сменных наконечников Hakko T12.
Этот комплект довольно популярен, вот ознакомительная ссылка.
Сборка комплекта
Купил только комплект без корпуса и блока питания. Я сам вырезал корпус лазером из МДФ толщиной 3 мм, а в качестве блока питания использовал переходник для ноутбука, найденный на моем столе. В целом утюг с регулируемой температурой, который имеет вышеупомянутые функции, стоит менее 20 долларов.
В комплект входят следующие элементы:
Первый шаг — припаять красный светодиод к основной плате управления.
Светодиод имеет два вывода, один длиннее другого, более длинный вывод является положительным (также известным как анод).
Следующим шагом является припаивание 5-контактного штекерного «авиационного» разъема к левой стороне платы после его подключения через переднюю панель корпуса. Осторожно положение штифтов!, штифт с маркировкой E (Земля/Заземление) должен соответствовать контакту 1 гнездового разъема ниже.
Неправильная пайка этого 5-контактного штекерного разъема приведет к тому, что правила нумерации контактов и цветов кабеля, описанные в этом руководстве, станут недействительными. Чтобы исправить это, вам нужно сделать свое собственное соглашение о подключении. Это должно быть проще, чем выпаивать и перемещать 5-контактный штекерный разъем.
Теперь возьмите гнездовой «авиационный» разъем и силиконовый кабель. Обратите внимание на нумерацию контактов гнездового разъема, как показано ниже.
Отрежьте около 25 мм внешней оболочки с одного конца кабеля. Примерно определите длину проводов, которые должны быть, когда розетка свинчена вместе. Обрежьте и залудите концы проводов, а также контакты розетки, затем припаяйте провода к контактам. На этом этапе важно отметить, какой цвет провода припаян к какому номеру контакта. Он понадобится позже при пайке другого конца проводов к стенту на плате. Я использую следующее соглашение:
- Контакт 1 к зеленому
- Контакт 2 к красному
- Контакт 3 на белый
- Контакт 4 к синему
- Контакт 5 к черному
Наденьте прозрачную втулку на соединения и ввинтите гнездо в корпус. Затяните маленькие винты кабельного зажима.
Припаяйте вибрационный переключатель к стенту для печатной платы проводом «золотого» цвета вверху, т. е. ближе всего к силиконовому кабелю.
Теперь протяните другой конец кабеля через ручку. Зачистите и подготовьте провода, как и раньше, обратите внимание на маркировку отверстий в стенте для печатной платы, к которым будут припаиваться провода.
Используя мое соглашение выше:
- Зеленый к земле
- Красный к +
- Белый до B
- Синий к А
- Черный до –
Закрепите кабель на стенте с печатной платой с помощью прилагаемой стяжки.
Вставьте стент с печатной платой в рукоятку и установите его в канавки. Завинтите верхнюю часть ручки и вставьте элемент и наконечник внутрь. Наконец, наденьте наконечник и закрепите его цангой.
Проверка собранного блока.
Вам необходимо предоставить блок питания, технические характеристики которого соответствуют диапазону, указанному в таблице ниже. Чем выше напряжение источника питания, который вы используете, тем выше мощность, которую может производить утюг. Я использую 16-вольтовый адаптер для ноутбука, который обеспечивает мощность утюга до 32 Вт.
Подключите источник питания к 3-контактному разъему на плате управления с помощью прилагаемого штепсельного кабеля. Минус (-) и земля (E или GND) контроллера соединяются вместе с минусовым проводом источника питания.
Первый тест – включить питание контроллера без подключенного паяльника. Светодиодный индикатор температуры должен показывать 000, а затем измениться на 500 через 0,5 секунды. Красный светодиод нагрева погаснет. Если все хорошо, то подключаем железо и проводим окончательный тест.
Включите и поверните ручку регулировки до нужной температуры, в моем случае 200 градусов. Красный светодиод нагрева будет мигать. Светодиодный индикатор температуры должен показывать 000, а затем через 0,5 секунды измениться на 200. Наконечник T12 начинает нагреваться и достигает заданной температуры примерно за 12 секунд.
Шаблон корпуса для лазерной резки
С помощью прилагаемого шаблона вы можете самостоятельно вырезать корпус лазером, если у вас есть лазерный резак, или обратиться в службу лазерной резки. Шаблон предназначен для материалов толщиной 3 мм, таких как МДФ, триплекс или акрил, и доступен в формате Coreldraw 12 и PostScript.
DIYT12Box
Нравится:
Нравится Загрузка.
..
Паяльник с регулируемой температурой, станция, цифровой
Паяльник с регулируемой температурой — это ручной инструмент, который нагревает припой. Состоит из:
- нагревательный элемент
- железный наконечник
- ручка
Нагрев паяльника с электрическим приводом осуществляется путем пропускания электрического тока через провод с высоким сопротивлением, изготовленный из никеля и хрома.
Этот провод обернут внутри нагревательного элемента. Он имеет очень высокую температуру плавления и не легко окисляется. При изготовлении паяльника можно получить различную мощность, изменяя количество витков никель-хромовой проволоки, намотанной на центральный сердечник.
Большинство паяльников поставляются со сменными жалами.
Наконечники взаимозаменяемы, что позволяет использовать один и тот же паяльник для пайки различных типов компонентов.
Хороший паяльник является самым важным фактором для правильной пайки.
Для успешной пайки важно иметь качественный инструмент.
Различные типы паяльных работ требуют разных температур, поэтому возможность изменять температуру на жалом утюга имеет решающее значение для успешной пайки.
В наши дни нерегулируемые паяльники с одной мощностью становятся все более редкими – большинство стандартных паяльников имеют какой-либо контроль температуры.
Паяльник с регулируемой температурой позволяет паять широкий спектр электронных устройств и печатных плат, не перегревая и не повреждая их.
Позволяет контролировать и регулировать температуру жала. Это означает, что оператор может установить желаемую температуру наконечника с помощью ручки или кнопок, расположенных на передней панели базового блока.
Паяльники с регулируемой температурой имеют встроенную регулировку температуры. Электронный контроль температуры позволяет точно контролировать уровень нагрева жала паяльника. Большинство паяльников имеют температуру жала в диапазоне 662-842 градусов по Фаренгейту (350-450 градусов по Цельсию).
Электронный контроль температуры означает, что вы всегда будете знать, достаточно ли нагрето жало паяльника для материала, который вы паяете.
Это значительно упрощает работу по пайке.
Это означает, что вы можете быть уверены, что ваш паяльник достаточно горячий и готов к пайке, и в то же время вы знаете, что он не слишком горячий, чтобы сжечь некоторые чувствительные к температуре компоненты на печатной плате.
Если вы не будете обращать внимание на температуру жала утюга, вы можете случайно повредить или испортить проект пайки, применяя слишком много тепла. Для каждой задачи пайки вам нужно достаточно тепла, чтобы быстро и надежно расплавить припой и нанести его на паяные соединения, но вам не нужно слишком много тепла, которое может сжечь или расплавить чувствительные электронные компоненты или печатные платы.
Первая попытка создания паяльника с регулируемой температурой была предпринята в 1949 году американской компанией American Beauty. Это была простая система, которая позволяла регулировать температуру паяльника.
Позже, в 1960 году, компания Weller запатентовала паяльник с регулируемой температурой.
В последние годы на рынке США появилось много новых моделей паяльников с регулируемой температурой. Различные производители предлагают новые модели паяльников с регулируемой температурой.
Даже марки теста, такие как Aoyue, Lonove, X-Tronic, Vastar, не так известны, как Weller, Hakko и Pace, они предлагают надежное качество паяльных инструментов по более низкой цене.
В наши дни можно купить хороший терморегулируемый паяльник с цифровым дисплеем менее чем за 50 долларов.
Высококачественные паяльники с регулируемой температурой стоят от 100 до 140 долларов (Hakko FX-888 — около 100 долларов, а Weller WE1010 — около 140 долларов), но вы можете купить их по более низкой цене, когда они поступят в продажу.
Многие паяльные станции способны точно поддерживать температуру на нужном уровне — например, на паяльнике WESD51 Weller можно точно регулировать температуру утюга в пределах +/- 9 градусов по Фаренгейту.
Утюги с регулируемой температурой следует использовать всякий раз, когда нам приходится паять компоненты, чувствительные к температуре.
Три основных конструкции паяльников с точки зрения контроля температуры.
Первый тип паяльника не имеет регулировки температуры.
Это простой нерегулируемый паяльник – достаточно включить его в розетку и через пару минут он готов к пайке. Этот паяльник обычно продается как отдельный инструмент для пайки, но может входить в состав набора для пайки.
Подходит только для самодельных работ, пайки провода и некоторых стандартных работ по пайке в домашних условиях. Этот тип паяльников является самым простым и дешевым типом паяльников.
Температура жала этих паяльников может значительно меняться во время использования. Это ситуация, когда утюг не используется, но все еще включен или постоянно используется в течение длительного времени.
Цена простого паяльного карандаша в США колеблется в пределах 15-30 долларов.
Второй тип паяльников — паяльник с регулируемой температурой. Эти паяльники используются для тонкой, точной работы.
Эти паяльники имеют встроенную систему контроля температуры, которая обеспечивает поддержание температуры жала на фиксированном уровне. В наконечник или стержень утюга встроена термопара, которая контролирует температуру. Некоторые паяльники имеют встроенный в ручку биметаллический ленточный термостат.
Эти паяльники поставляются с низковольтной электростанцией (обычно около 24 В постоянного тока) и поворотной ручкой на станции в качестве контроллера для установки желаемой температуры на жалом паяльника. Электростанция автоматически поддерживает нужную температуру наконечника утюга.
Некоторые модели оснащены цифровым дисплеем, показывающим текущую температуру жала.
Желаемую температуру легко настроить – вращение ручки по часовой стрелке увеличивает температуру утюга, а вращение ручки против часовой стрелки уменьшает температуру.
Некоторые модели паяльников с регулируемой температурой поставляются с кнопками «+» и «-» вместо ручки управления, поэтому увеличение температуры нагревателя осуществляется нажатием кнопки «+», а уменьшение температуры осуществляется нажатием кнопки «-».
Температуру утюга можно точно отрегулировать в пределах 10°F с помощью регулятора температуры на передней панели.
Мощность этих утюгов обычно составляет от 50 до 70 Вт. .
Эти паяльники дороже нерегулируемых паяльных карандашей. Цена на приличные терморегулируемые паяльники на рынке США (включая паяльники с очень точной электронной регулировкой температуры) колеблется в пределах 50-150 долларов.
Из этой группы мы рекомендуем следующие утюги:
- Цифровой паяльник Weller WE1010.
- Цифровой паяльник Hakko FX-888
Третий тип паяльников представляет собой комплектную паяльную систему для ремонта и доработки.
Эта паяльная система обычно состоит из комплектного настольного блока управления, к которому можно подключать различные паяльные инструменты, включая паяльник с регулируемой температурой, термофен, демонтажный пистолет, термопинцет, подставку для утюга и т.
д. Thermo – пинцет – отличный инструмент для снятия резисторов и конденсаторов поверхностного монтажа,
Эти паяльные станции предназначены для профессионального использования, непрерывной производственной линии, станций доработки и ремонта в крупносерийном производстве. Они также рекомендуются тем, кому необходимо регулярно пользоваться паяльным инструментом.
Это самый дорогой тип паяльника. Цена профессионального паяльного комплекса (переделка и ремонт) колеблется в пределах 200-2500 долларов.
Из этой группы мы рекомендуем многоканальную ремонтную станцию Pace MBT350.
Три разных варианта паяльника с регулируемой температурой
В первой версии оператор может увеличивать или уменьшать напряжение на нагревателе и тем самым изменять температуру жала. Как мы упоминали ранее, в обычных паяльниках на нагреватель подается постоянное напряжение без возможности его изменения.
Во второй версии температуру наконечника утюга можно установить с помощью терморегулируемого магнитного переключателя внутри нагревательного блока.
Здесь у нас есть небольшой магнит, который был разработан так, чтобы терять свои магнитные свойства при определенной температуре. Этот магнит является частью переключателя в узле нагревателя, и когда в результате магнит теряет магнитные свойства (при определенной температуре), переключатель размыкается и отключает подачу напряжения на нагреватель.
Третья версия паяльника с регулируемой температурой представляет собой паяльник, который содержит датчик температуры, встроенный в блок нагревателя. Оператор устанавливает желаемую температуру для своего проекта пайки, а затем датчик температуры в узле нагревателя через систему обратной связи включает и выключает нагревательный элемент для поддержания температуры на желаемом уровне.
Эта статья посвящена выбору паяльников для пайки электронных компонентов и проводов к печатным платам в электронике.
Итак, при выборе паяльника для применения в электронике учитывайте мощность утюга в пределах 30-70 Вт.
Мощность
Мощность — очень важный фактор, который следует учитывать при покупке паяльника, который лучше всего подходит для вашего приложения.
Большинство паяльников с регулируемой температурой, представленных на рынке США, имеют номинальную мощность 50-70 Вт. Паяльник Weller WE 1010 имеет номинальную мощность 70 Вт. Hakko FX-888 также имеет номинальную мощность 70 Вт.
Базовый паяльный карандаш без возможности регулирования температуры имеет номинальную мощность от 15 Вт.
Более высокая мощность не означает, что паяльник работает при более высокой температуре. Требуемое значение температуры утюга задается на базовой станции утюга и поддерживается на этом уровне все время пайки. Более высокая мощность паяльника означает, что у него больше «запасной» мощности при пайке больших паек.
Паяльники с регулируемой температурой быстрее восстанавливаются до рабочей температуры при тяжелых паяльных работах, таких как пайка толстых проводов или слишком больших разъемов, таких как разъемы типа «банан» или зажимы типа «крокодил».
Пайка проводов на слишком большом и широком заземляющем слое печатной платы также может потребовать много тепла.
При пайке больших соединений маломощным паяльником толстые провода или большие выводы компонентов будут отводить тепло от паяльника, слишком сильно охлаждая его.
Это предотвратит расплавление и растекание припоя в паяном соединении, так как маломощный паяльник не обладает достаточной мощностью для быстрого восстановления. Результатом является плохой контакт или холодная пайка.
Более высокая мощность паяльника позволяет выполнять более широкий спектр задач по пайке.
Итак, при выборе паяльника для применения в электронике рассмотрите паяльники, мощность которых находится в пределах 30-70 Вт.
Напряжение
Паяльникипредназначены для использования во многих странах. В разных странах разное напряжение в розетках.
Это означает, что одна и та же модель паяльника имеет несколько различных модификаций и может быть настроена на другое напряжение.
Убедитесь, что ваш паяльник работает напрямую от сети с напряжением 110 В переменного тока.
Другими словами, проверьте, изготовлен ли ваш паяльник для рынка США. Это очень важно при покупке паяльника у интернет-магазинов в Европе или Китае.
Железные наконечники
Наконечникидоступны в большом ассортименте форм и размеров.
Полезно иметь набор запасных железных жал разных размеров и форм – вы сможете выполнять более широкий спектр паяльных работ.
Всегда используйте только те жала, которые рекомендованы производителем конкретного паяльника.
Для пайки большинства электронных компонентов со сквозными отверстиями используется наконечник с долотом среднего размера, хотя для небольшого количества специализированных компонентов может потребоваться другое жало.
Железные наконечники для пайки компонентов поверхностного монтажа сильно отличаются от железных наконечников для пайки компонентов сквозного монтажа.
Электронные компоненты для поверхностного монтажа намного меньше, чем компоненты для сквозного монтажа, поэтому железные наконечники для пайки компонентов для поверхностного монтажа намного меньше.
Обычно имеют коническую форму.
Многие железные наконечники имеют форму и размеры, подходящие для определенных компонентов поверхностного монтажа.
Было бы невозможно припаять крошечный компонент для поверхностного монтажа тем же железным наконечником, который используется для пайки компонентов со сквозными отверстиями, например, с наконечником долото 3/32” (2,38 мм).
Через некоторое время вы обнаружите, что для большинства ваших паяльных проектов лучше всего паять с одной конкретной формой жала.
Эргономика паяльника
Комфорт также является важным фактором при выборе паяльника. Поскольку паяльники бывают разных форм и конструкций, эргономика паяльника сильно различается.
Дешевые карандаши для пайки обычно имеют большую и толстую ручку, что затрудняет пайку, особенно если вы паяете в течение длительного времени без перерыва. Вы просто не чувствуете себя хорошо, когда держите неудобное железо в руке.
Если вы покупаете паяльник через Интернет, вы не сможете протестировать его перед покупкой, но вы можете подумать, какую форму паяльника и диаметр рукоятки вы бы предпочли.
Автоматическое отключение питания
Большинство паяльных станций имеют стандартную функцию автоматического отключения питания. Эта функция регулируется, обычно она находится в диапазоне 0-99 минут.
Это хорошая функция безопасности.
Запасные части
Если вы планируете купить дорогую паяльную станцию, рекомендуется узнать, есть ли в наличии запасные части.
Таким образом, если какая-либо часть выйдет из строя, вы сможете заменить только эту конкретную часть и починить вышедший из строя паяльник — вам не нужно заменять весь паяльник на новый.
Цифровой паяльник
Некоторые модели паяльников с регулируемой температурой могут иметь встроенный цифровой индикатор температуры. Текущая температура паяльника отображается на цифровом дисплее все время во время пайки.
Как только вы нажмете одну из кнопок для регулировки температуры нагревательного элемента, на цифровом индикаторе появится установленная температура.