Питание шуруповерта от сети 220В – 16 Февраля 2017
Наконец-то я приступил к осуществлению своей давней задумки, а именно обеспечить питание для шуруповерта от сети 220 вольт. Несомненно у некоторых из вас тоже имеется шуруповёрт, с изношенным, негодным аккумулятором, который уже не берет зарядку. В моем расположении имелось два экземпляра.
У первого (черный) рабочее напряжение составляет 18 Вольт. Именно его я первоначально хотел запитать от сети, т.к. удобно лежит в руке и довольно мощный. Но отсутствует кнопка. Возможно в будущем отрежу рукоятку и сделаю из него подобие бормашинки. Второй экземпляр рассчитан на 12 Вольт. Отслужил довольно долгое время. Аккумуляторную батарею конечно можно приобрести новую или в крайнем случае заменить банки. Но все таки хочется иметь под рукой всегда готовый инструмент, тем более что электродрель не всегда удобно использовать т.к. она тяжелая. Осуществить эту задумку нам поможет силовой трансформатор.
Был использован понижающий трансформатор ТС-250-36.
Отличить обмотки друг от друга у понижающего трансформатора не сложно, т.к. вторичная выполнена из более толстого провода, а та, на которую подается сетевое напряжение из более тонкого провода. Это из за того что по ней протекает ток меньшей величины.
Обмотки имеют симметричное расположение и две половинки по 18 Вольт соединяются проводом (место соединения хорошо видно на нижнем фото). Я буду использовать одну половину.
Но прежде чем перематывать трансформатор, нужно провести измерения. Я призываю быть аккуратными при работе с током, не прикасаться к токоведущим частям, а также всегда проверяйте правильно ли установлен предел измерений на мультиметре.
Справа измеряется напряжение на половине вторичной обмотки. Как видно, напряжение немного превышает паспортные значения, т.к. здесь не подключена никакая нагрузка.
Итак я отделил одну половинку и теперь приступаем к разборке трансформатора. Между слоями бумаги находилось большое количество парафина.
Вторичная обмотка в моем случае намотана в два слоя, отделенных слоем бумаги. Чтобы снизить напряжение вторички с 18 вольт пришлось снять почти половину витков.
При определении требуемого напряжения нужно учитывать, что после трансформатора будет стоять диодный мост, который снизит напряжение примерно на пару вольт. Но добавление сглаживающего конденсатора вызовет повышение напряжения примерно в 1,4 раза. Т.е. в отсутствии нагрузки, выпрямленное напряжение на конденсаторе будет равно амплитудному значению.
По мере отматывания вторички, делаем измерения. Вскоре, я остановился на значении 11,2 Вольт, т.к. боялся просадки при подключении нагрузки.
Когда трансформатор подготовлен (хотя некоторые могут использовать готовый с нужными параметрами), теперь пришло время познакомиться со схемой.
К выходу трансформатора нужно припаять диодный мост (VDS), чтобы переменный ток преобразовать в постоянный пульсирующий.
Диодный мост можно собрать из отдельный диодов либо использовать готовый. При его подборе следует учитывать сколько ампер потребляет ваш шуруповерт (мост подобрать с запасом).
Провода от вторичной обмотки припаиваем к выводам диодного моста, там где буквы АС (переменный ток).
Ну а после моста нужно припаять конденсатор для сглаживания пульсаций. Его напряжение должно превышать напряжение питания шуруповерта хотя бы в два раза. А емкость от 470 мкФ до 2200 мкФ.
По желанию в схеме перед трансформатором можно добавить выключатель и предохранитель.
Итак, после подключения схемы я произвел измерения. Холостое напряжение на выходе блока питания (когда нагрузка не подключена) составляет 15 вольт.
При запуске шуруповерта, оно проседает до 11,5 вольт, что является нормой, поэтому ничего страшного. Полностью заряженный новый аккумулятор выдавал 13 Вольт.
Так выглядит инструмент изнутри. Здесь можно найти предельные параметры кнопки, а так же можно заметить что управляется двигатель мощным полевым транзистором.
Для того чтобы было удобно подключатся к блоку питания я разобрал аккумулятор. От него нам потребуются контакты.
Эту деталь нужно залудить. У меня пайка обошлась с использованием канифоли, но в некоторых случаях может потребоваться флюс для пайки алюминия.
Конечно же при пайке проводов от блока питания не забываем про полярность, обычно она указана на корпусе аккумулятора.
Отсек стал очень легким. Провод был загерметизирован термоклеем.
Тесты показали, что шуруповерт при работе от блока питания справился с поставленными задачами.
К этой статье имеется видео, в котором подробно показан процесс создания блока питания, перемотка трансформатора, подключение и тест.
Скачать список элементов (PDF
http://cxem.net
Простейшие схемы подключения светодиодов в 220 вольт без драйвера (самое простое питание светодиода от сети напряжением 220В)
Потому что нужно грамотно решить сразу две задачи:
- Ограничить прямой ток через светодиод, чтобы он не сгорел.
- Обеспечить защиту светодиода от пробоя обратным током.
Если проигнорировать любой из этих пунктов, светодиод моментально накроется медным тазом.
В самом простейшем случае ограничить ток через светодиод можно резистором и/или конденсатором. А предотвратить пробой от обратного напряжения можно с помощью обычного диода или еще одного светодиода.
Поэтому самая простая схема подключения светодиода к 220В состоит всего из нескольких элементов:
Защитный диод может быть практически любым, т.
к. его обратное напряжение никогда не будет превышать прямого напряжения на светодиоде, а ток ограничен резистором.
Сопротивление и мощность ограничительного (балластного) резистора зависит от рабочего тока светодиода и рассчитывается по закону Ома:
R = (Uвх – ULED) / I
А мощность рассеивания резистора рассчитывается так:
где Uвх = 220 В,
ULED – прямое (рабочее) напряжение светодиода. Обычно оно лежит в пределах 1.5-3.5 В. Для одного-двух светодиодов им можно пренебречь и, соответственно, упростить формулу до R=Uвх/I,
I – ток светодиода. Для обычных индикаторных светодиодов ток будет 5-20 мА.
Пример расчета балластного резистора
Допустим, нам нужно получить средний ток через светодиод = 20 мА, следовательно, резистор должен быть:
R = 220В/0.020А = 11000 Ом (берем два резистора: 10 + 1 кОм)
P = (220В)2/11000 = 4.
4 Вт (берём с запасом: 5 Вт)
Необходимое сопротивление резистора можно взять из таблицы ниже.
Таблица 1. Зависимость тока светодиода от сопротивления балластного резистора.
| Сопротивление резистора, кОм | Амплитудное значение тока через светодиод, мА | Средний ток светодиода, мА | Средний ток резистора, мА | Мощность резистора, Вт |
|---|---|---|---|---|
| 43 | 7.2 | 2.5 | 5 | 1.1 |
| 24 | 13 | 4.5 | 9 | 2 |
| 22 | 14 | 5 | 10 | 2.2 |
| 12 | 26 | 9 | 18 | 4 |
| 10 | 31 | 11 | 22 | 4.8 |
| 7.5 | 41 | 15 | 29 | 6.5 |
| 4.3 | 72 | 25 | 51 | 11. 3 |
| 2.2 | 141 | 50 | 22 |
Другие варианты подключения
В предыдущих схемах защитный диод был включен встречно-параллельно, однако его можно разместить и так:
Это вторая схема включения светодиодов на 220 вольт без драйвера. В этой схеме ток через резистор будет в 2 раза меньше, чем в первом варианте. А, следовательно, на нем будет выделяться в 4 раза меньше мощности. Это несомненный плюс.
Но есть и минус: к защитному диоду прикладывается полное (амплитудное) напряжение сети, поэтому любой диод здесь не прокатит. Придется подобрать что-нибудь с обратным напряжением 400 В и выше. Но в наши дни это вообще не проблема. Отлично подойдет, например, вездесущий диод на 1000 вольт – 1N4007 (КД258).
Не смотря на распространенное заблуждение, в отрицательные полупериоды сетевого напряжения, светодиод все-таки будет находиться в состоянии электрического пробоя. Но благодаря тому, что сопротивление обратносмещенного p-n-перехода защитного диода очень велико, ток пробоя будет недостаточен для вывода светодиода из строя.
Внимание! Все простейшие схемы подключения светодиодов в 220 вольт имеют непосредственную гальваническую связь с сетью, поэтому прикосновение к ЛЮБОЙ точке схемы – ЧРЕЗВЫЧАЙНО ОПАСНО!
Для уменьшения величины тока прикосновения нужно располовинить резистор на две части, чтобы получилось как показано на картинках:
Благодаря такому решению, даже поменяв местами фазу и ноль, ток через человека на “землю” (при случайном прикосновении) никак не сможет превысить 220/12000=0.018А. А это уже не так опасно.
Как быть с пульсациями?
В обеих схемах светодиод будет светиться только в положительный полупериод сетевого напряжения. То есть он будет мерцать с частой 50 Гц или 50 раз в секунду, причём размах пульсаций будет равен 100% (10 мс горит, 10 мс не горит и так далее). Это будет заметно глазу.
К тому же, при подсветке мерцающими светодиодами каких-либо движущихся объектов, например, лопастей вентилятора, колес велосипеда и т.п., неизбежно будет возникать стробоскопический эффект.
Чтобы сделать пульсации менее заметными, можно удвоить частоту включения светодиода с помощью двухполупериодного выпрямителя (диодного моста):
Обратите внимание, что по сравнению со схемой #2 при том же самом сопротивлении резисторов, мы получили в два раза больший средний ток. И, соответственно, в четыре раза большую мощность рассеивания резисторов.
К диодному мосту при этом не предъявляется каких-либо особых требований, главное, чтобы диоды, из которых он состоит, выдерживали половину рабочего тока светодиода. Обратное напряжение на каждом из диодов будет совсем ничтожным.
Еще, как вариант, можно организовать встречно-параллельное включение двух светодиодов. Тогда один из них будет гореть во время положительной полуволны, а второй – во время отрицательной.
Фишка в том, что при таком включении максимальное обратное напряжение на каждом из светодиодов будет равно прямому напряжению другого светодиода (несколько вольт максимум), поэтому каждый из светодиодов будет надежно защищен от пробоя.
Светодиоды следует разместить как можно ближе друг к другу. В идеале – попытаться найти сдвоенный светодиод, где оба кристалла размещены в одном корпусе и у каждого свои выводы (хотя я таких ни разу не видел).
Вообще говоря, для светодиодов, выполняющих индикаторную функцию, величина пульсаций не очень-то и важна. Для них самое главное – это максимально заметная разница между включенным и выключенным состоянием (индикация вкл/выкл, воспроизведение/запись, заряд/разряд, норма/авария и т.п.)
А вот при создании светильников, всегда нужно стараться свести пульсации к минимуму. И не столько из-за опасностей стробоскопического эффекта, сколько из-за их вредного влияния на организм.
Какие пульсации считаются допустимыми?
Все зависит от частоты: чем она ниже, тем заметнее пульсации.
На частотах выше 300 Гц пульсации становятся совершенно невидимыми и вообще никак не нормируются, то есть даже 100%-ные считаются нормой.
Не смотря на то, что пульсации освещенности на частотах 60-80 Гц и выше визуально не воспринимаются, тем не менее, они способны вызывать повышенную усталость глаз, общую утомляемость, тревожность, снижение производительности зрительной работы и даже головные боли.
Для предотвращения вышеперечисленных последствий, международный стандарт IEEE 1789-2015 рекомендует максимальный уровень пульсаций яркости для частоты 100 Гц – 8% (гарантированно безопасный уровень – 3%). Для частоты 50 Гц – это будут 1.25% и 0.5% соответственно. Но это для перфекционистов.
На самом деле, для того, чтобы пульсации яркости светодиода перестали хоть как-то досаждать, достаточно, чтобы они не превышали 15-20%. Именно таков уровень мерцания ламп накаливания средней мощности, а ведь на них никто и никогда не жаловался. Да и наш российский СНиП 23-05-95 допускает мерцание света в 20% (и только для особо кропотливых и ответственных работ требование повышено до 10%).
В соответствии с ГОСТ 33393-2015 “Здания и сооружения. Методы измерения коэффициента пульсации освещенности” для оценки величины пульсаций вводится специальный показатель – коэффициент пульсаций (Кп).
Коэфф. пульсаций в общем рассчитывается по сложной формуле с применением интегральной функции, но для гармонических колебаний формула упрощается до следующей:
Кп = (Еmax – Emin) / (Emax + Emin) ⋅ 100%,
где Емах – максимальное значение освещенности (амплитудное), а Емин – минимальное.
Мы будем использовать эту формулу для расчета емкости сглаживающего конденсатора.
Очень точно определить пульсации любого источника света можно при помощи солнечной панели и осциллографа:
Как уменьшить пульсации?
Посмотрим, как включить светодиод в сеть 220 вольт, чтобы снизить пульсации. Для этого проще всего подпаять параллельно светодиоду накопительный (сглаживающий) конденсатор:
Из-за нелинейного сопротивления светодиодов, расчет емкости этого конденсатора является довольно нетривиальной задачей.
Однако, эту задачу можно упростить, если сделать несколько допущений. Во-первых, представить светодиод в виде эквивалентного постоянного резистора:
А во-вторых, сделать вид, что яркость светодиода (а, следовательно, и освещенность) имеет линейную зависимость от тока.
Давайте попробуем приблизительно рассчитать емкость конденсатора на конкретном примере.
Расчет емкости сглаживающего конденсатора
Допустим, мы хотим получить коэфф. пульсаций 2.5% при токе через светодиод 20 мА. И пусть в нашем распоряжении оказался светодиод, на котором при токе в 20 мА падает 2 В. Частота сети, как обычно, 50 Гц.
Так как мы решили, что яркость линейно зависит от тока через светодиод, а сам светодиод мы представили в виде простого резистора, то освещенность в формуле расчета коэффициента пульсаций можем спокойно заменить на напряжение на конденсаторе:
Кп = (Umax – Umin) / (Umax + Umin) ⋅ 100%
Подставляем исходные данные и вычисляем Umin:
2.
5% = (2В – Umin) / (2В + Umin) ⋅ 100% => Umin = 1.9В
Период колебаний напряжения в сети равен 0.02 с (1/50).
Таким образом, осциллограмма напряжения на конденсаторе (а значит и на нашем упрощенном светодиоде) будет выглядеть примерно вот так:
Вспоминаем тригонометрию и считаем время заряда конденсатора (для простоты не будем учитывать сопротивление балластного резистора):
tзар = arccos(Umin/Umax) / 2πf = arccos(1.9/2) / (2⋅3.1415⋅50) = 0.0010108 с
Весь остальной остаток периода кондер будет разряжаться. Причем, период в данном случае нужно сократить в два раза, т.к. у нас используется двухполупериодный выпрямитель:
tразр = Т – tзар = 0.02/2 – 0.0010108 = 0.008989 с
Осталось вычислить емкость:
C = ILED⋅ dt/dU = 0.02 ⋅ 0.008989/(2-1.
9) = 0.0018 Ф (или 1800 мкФ)
На практике вряд ли кто-то будет ставить такой большой кондер ради одного маленького светодиодика. Хотя, если стоит задача получить пульсации в 10%, то нужно всего 440 мкФ.
Повышаем КПД
Обратили внимание, насколько большая мощность выделяется на гасящем резисторе? Мощность, которая тратится впустую. Нельзя ли ее как-нибудь уменьшить?
Оказывается, еще как можно! Достаточно вместо активного сопротивления (резистора) взять реактивное (конденсатор или дроссель).
Дроссель мы, пожалуй, сразу откинем из-за его громоздкости и возможных проблем с ЭДС самоиндукции. А насчет конденсаторов можно подумать.
Как известно, конденсатор любой емкости обладает бесконечным сопротивлением для постоянного тока. А вот сопротивление переменному току рассчитывается по этой формуле:
Rc = 1 / 2πfC
то есть, чем больше емкость C и чем выше частота тока f – тем ниже сопротивление.
Прелесть в том, что на реактивном сопротивлении и мощность тоже реактивная, то есть ненастоящая. Она как бы есть, но ее как бы и нет. На самом деле эта мощность не совершает никакой работы, а просто возвращается назад к источнику питания (в розетку). Бытовые счетчики ее не учитывают, поэтому платить за нее не придется. Да, она создает дополнительную нагрузку на сеть, но вас, как конечного потребителя, это вряд ли сильно обеспокоит =)
Таким образом, наша схема питания светодиодов от 220В своими руками приобретает следующий вид:
Но! Именно в таком виде ее лучше не использовать, так как в этой схеме светодиод уязвим для импульсных помех.
Включение или выключение распложенных на одной с вами линии мощной индуктивной нагрузки (двигатель кондиционера, компрессор холодильника, сварочный аппарат и т.п.) приводит к появлению в сети очень коротких выбросов напряжения. Конденсатор С1 представляет для них практически нулевое сопротивление, следовательно мощный импульс направится прямиком к С2 и VD5.
К сожалению, электролитические конденсаторы, из-за своей большой паразитной индуктивности, плохо справляются с ВЧ-помехами, поэтому большая часть энергии импульса пойдет через p-n-переход светодиода.
Еще один опасный момент возникает в случае включения схемы в момент пучности напряжения в сети (т.е. в тот самый момент, когда напряжение в розетке находится на пике своего значения). Т.к. С1 в этот момент полностью разряжен, то возникает слишком большой бросок тока через светодиод.
Все это со временем это приводит к прогрессирующей деградации кристалла и падению яркости свечения.
Во избежание таких печальных последствий, схему нужно дополнить небольшим гасящим резистором на 47-100 Ом и мощностью 1 Вт. Кроме того, резистор R1 будет выступать в роли предохранителя на случай пробоя конденсатора С1.
Получается, что схема включения светодиода в сеть 220 вольт должна быть такой:
И остается еще один маленький нюанс: если выдернуть эту схему из розетки, то на конденсаторе С1 останется какой-то заряд.
Остаточное напряжение будет зависеть от того, в какой момент была разорвана цепь питания и в отдельных случаях может превышать 300 вольт.
А так как конденсатору некуда разряжаться, кроме как через свое внутреннее сопротивление, то заряд может сохраняться очень долго (сутки и более). И все это время кондер будет ждать вас или вашего ребенка, через которого можно будет как следует разрядиться. Причем, для того, чтобы получить удар током, не нужно лезть в недра схемы, достаточно просто прикоснуться к обоим контактам штепсельной вилки.
Чтобы помочь кондеру избавиться от ненужного заряда, подключим параллельно ему любой высокоомный резистор (например, на 1 МОм). Этот резистор не будет оказывать никакого влияния на расчетный режим работы схемы. Он даже греться не будет.
Таким образом, законченная схема подключения светодиода к сети 220В (с учетом всех нюансов и доработок) будет выглядеть так:
Значение емкости конденсатора C1 для получения нужного тока через светодиод можно сразу взять из Таблицы 2, а можно рассчитать самостоятельно.
Расчет гасящего конденсатора для светодиода
Не буду приводить утомляющие математические выкладки, дам сразу готовую формулу емкости (в Фарадах):
C = I / (2πf√(U2вх – U2LED)) [Ф],
где I – ток через светодиод, f – частота тока (50 Гц), Uвх – действующее значение напряжения сети (220В), ULED – напряжение на светодиоде.
Если расчет ведется для небольшого числа последовательно включенных светодиодов, то выражение √(U2вх – U2LED) приблизительно равно Uвх, следовательно формулу можно упростить:
C ≈ 3183 ⋅ ILED / Uвх [мкФ]
а, раз уж мы делаем расчеты под Uвх = 220 вольт, то:
C ≈ 15 ⋅ ILED [мкФ]
Таким образом, при включении светодиода на напряжение 220 В, на каждые 100 мА тока потребуется примерно 1.
5 мкФ (1500 нФ) емкости.
Кто не в ладах с математикой, заранее посчитанные значения можно взять из таблицы ниже.
Таблица 2. Зависимость тока через светодиоды от емкости балластного конденсатора.
| C1 | 15 nF | 68 nF | 100 nF | 150 nF | 330 nF | 680 nF | 1000 nF |
|---|---|---|---|---|---|---|---|
| ILED | 1 mA | 4.5 mA | 6.7 mA | 10 mA | 22 mA | 45 mA | 67 mA |
Немного о самих конденсаторах
В качестве гасящих рекомендуется применять помехоподавляющие конденсаторы класса Y1, Y2, X1 или X2 на напряжение не менее 250 В. Они имеют прямоугольный корпус с многочисленными обозначениями сертификатов на нем. Выглядят так:
Если вкратце, то:
- X1 – используются в промышленных устройствах, подключаемых к трехфазной сети. Эти конденсаторы гарантированно выдерживают всплеск напряжения в 4 кВ;
- X2 – самые распространенные.
Используются в бытовых приборах с номинальным напряжением сети до 250 В, выдерживают скачек до 2.5 кВ; - Y1 – работают при номинальном сетевом напряжении до 250 В и выдерживают импульсное напряжение до 8 кВ;
- Y2 – довольно-таки распространенный тип, может быть использован при сетевом напряжении до 250 В и выдерживает импульсы в 5 кВ.
Допустимо применять отечественные пленочные конденсаторы К73-17 на 400 В (а лучше – на 630 В).
Сегодня широкое распространение получили китайские “шоколадки” (CL21), но в виду их крайне низкой надежности, очень рекомендую удержаться от соблазна применять их в своих схемах. Особенно в качестве балластных конденсаторов.
Внимание! Полярные конденсаторы ни в коем случае нельзя использовать в качестве балластных!
Итак, мы рассмотрели, как подключать светодиод к 220В (схемы и их расчет). Все приведенные в данной статье примеры хорошо подходят для одного или нескольких маломощных светодиодов, но совершенно нецелесообразны для мощных светильников, например, ламп или прожекторов – для них лучше использовать полноценные схемы, которые называются драйверами.
Конденсаторное питание | Электроника для всех
Что то часто меня стали спрашивать как подключить микроконтроллер или какую низковольтную схему напрямую в 220 не используя трансформатор. Желание вполне очевидное — трансформатор, пусть даже и импульсный, весьма громоздок. И запихать его, например, в схему управления люстрой размещенной прям в выключателе не получится при всем желании. Разве что нишу в стене выдолбить, но это же не наш метод!
Тем не менее простое и очень компактное решение есть — это делитель на конденсаторе.
Правда конденсаторные блоки питания не имеют развязки от сети, поэтому если вдруг в нем что нибудь перегорит, или пойдет не так, то он запросто может долбануть тебя током, или сжечь твою квартиру, ну а комп угробить это вообще за милое дело, в общем технику безопасности тут надо чтить как никогда — она расписана в конце статьи. В общем, если я тебя не убедил что бестрансформаторные блоки питания это зло — то сам себе злой Буратино, я тут не причем.
Ну ладно, ближе к теме.
Помните обычный резистивный делитель?
Казалось бы, в чем проблема, выбрал нужные номиналы и получил искомое напряжение. Потом выпрямил и Profit. Но не все так просто — такой делитель может и сможет дать нужное напряжение, но вот совершенно не даст нужный ток. Т.к. сопротивления сильно велики. А если сопротивления пропорционально уменьшать, то через них насквозь пойдет большой ток, что при напряжении в 220 вольт даст очень большие тепловые потери — резисторы будут греть как печка и в итоге либо выйдут из строя, либо пожар устроят.
Все меняется если один из резисторов заменить на конденсатор. Суть в чем — как вы помните из статьи про конденсаторы, напряжение и ток на конденсаторе не совпадают по фазе. Т.е. когда напряжение в максимуме — ток минимален, и наоборот.
Так как у нас напряжение переменное, то конденсатор будет постоянно разряжаться и заряжаться, а особенность разряда-заряда конденсатора в том, что когда у него максимальный ток (в момент заряда), то минимальное напряжение и наборот.
Когда он уже зарядился и напруга на нем максимальная, то ток равен нулю. Соответственно, при таком раскладе, мощность тепловых потерь, выделяемая на конденсаторе (P=U*I) будет минимальной. Т.е. он даже не вспотеет. А рективное сопротивление конденсатора Xc=-1/(2pi*f*C).
Теоретическое отступление
В цепи бывают три вида сопротивлений:Активное — резистор (R)
Реактивное — конденсатор (Xс) и катушка(XL)
Полное же сопротивление цепи (импенданс) Z=(R2+(XL+Xс)2)1/2
Да, чистые активные и реактивные элементы бывают только в теории. Например, у катушки есть индуктивное сопротивление — витки, активное сопротивление — сопротивление проволки и емкостное сопротивление — паразитные конденсаторы образующиеся между витками катушки.
Даже обычный проводник имеет какую то паразитную емкость и индуктивность.
Активное сопротивление всегда постоянно, а реактивное зависит от частоты.
XL=2pi*f * L
Xc=-1/(2pi*f*C)
Знак реактивного сопротивления элемента указывает на его характер.
Т.е. если больше нуля, то это индуктивные свойства, если меньше нуля то емкостные. Из этого следует, что индуктивность можно скомпенсировать емкостью и наоборот.
f — частота тока.
Соответственно, на постоянном токе при f=0 и XL катушки становится равен 0 и катушка превращается в обычный кусок провода с одним лишь активным сопротивлением, а Xc конденсатора при этом уходит в бесконечность, превращая его в обрыв.
Эта зависимость от частоты также показывает почему в высокочастотных устройствах простые, казалось бы, дорожки печатной платы начинают вести себя как детали — а просто из за возросшей частоты их паразитные значения реактивных сопротивлений возрастают до ощутимых величин.
Получается у нас вот такая вот схема:
Теперь надо что-то сделать с тем, что у нас переменка. Не велика проблема — добавим парочку диодов (можно, конечно, и диодный мост, будет эффективней, но с двумя диодами проще) диоды должны быть на ток около ампера, не меньше.
И чтобы обратное напряжение было вольт на 500. 1N4007, например, или похожий по параметрам:
Все, в одну сторону ток течет через один диод, в другую через второй. В итоге, в правой части цепи у нас уже не переменка, а пульсирующий ток — одна полуволна синусоиды.
Добавим сглаживающий конденсатор, чтобы сделать напряжение поспокойней, микрофарад на 100 и вольт на 25, электролит:
Но есть тут одна заковыка — у нас напряжение на нагрузке зависит от сопротивления нагрузки. Т.е. если у тебя схема, включенная вместо Rн снизила потребление тока, то соответственно напряжение на ней вырастет. А для всякой нежной электроники это черевато.
Лечится стабилитроном на нужное нам напряжение. Питать мы собираемся микроконтроллер, так что на 5 вольт:
В принципе уже готово, единственно что надо поставить стабилитрон на такой ток, чтобы он не сдох когда нагрузки нет вообще, ведь тогда отдуваться за всех придется ему, протаскивая весь ток который может дать БП.
А можно ему помочь слегонца. Поставить резистор токоограничительный. Правда это сильно снизит нагрузочную способность блока питания, но нам хватит и этого.
Ток который эта схема может отдать можно, ЕМНИП, примерно вычислить по формуле:
I = 2F * C (1.41U — Uвых/2).
- F — частота питающей сети. У нас 50гц.
- С — емкость
- U — напряжение в розетке
- Uвых — выходное напряжение
Сама формула выводится из жутких интегралов от формы тока и напряжения. В принципе можешь сам ее нагуглить по кейворду «гасящий конденсатор расчет», материала предостаточно.
В нашем случае получается что I = 100 * 0.46E-6 (1.41*U — Uвых/2) = 15мА
Не феерия, но для работы МК+TSOP+оптоинтерфейс какой- нибудь более чем достаточно. А большего обычно и не требуется.
Еще добавить парочку кондеров для дополнительной фильтрации питания и можно использовать:
Еще добавил резюк на 43ом 1Вт, чтобы кондер при втыкании кондер заряжался не так быстро и не было броска тока.
На печатке он здоровый такой, возле разьема.
Печатная плата простая и вопросов по ее разводке под другую форму корпуса ни у кого не возникнет. Я же ее тут сделал просто для примера, поэтому не смотрите на ее большие размеры. Я не мельчил:
Как всегда, прикладываю LAY файл.
После чего, как обычно, все вытравил и спаял:
Схема многократно проверена и работает. Я ее когда то пихал в систему управления нагревом термостекла. Места там было со спичечный коробок, а безопасность гарантировалась тотальной остекловкой всего блока.
ТЕХНИКА БЕЗОПАСНОСТИ
В данной схеме нет никакой развязки по напряжению от питающей цепи, а значит схема ОЧЕНЬ ОПАСНА в плане электрической безопасности.
Поэтому надо крайне ответственно подходить к ее монтажу и выбору компонентов. А также внимательно и очень осторожно обращаться с ней при наладке.
Во первых, обратите внимание, что один из выводов идет к GND напрямую из розетки. А это значит что там может быть фаза, в зависимости от того как воткнули вилку в розетку.
Поэтому неукоснительно соблюдайте ряд правил:
- 1. Номиналы надо ставить с запасом на как можно большее напряжение. Особенно это касается конденсатора. У меня стоит на 400вольт, но это тот что был в наличии. Лучше бы вообще вольт на 600, т.к. в электросети иногда бывают выбросы напряжения намного превышающие номинал. Стандартные блоки питания за счет своей инерционности его переживут запросто, а вот конденсатор может и пробить — последствия представьте себе сами. Хорошо если не будет пожара.
- 2. Эта схема должна быть тщательным образом заизолирована от окружающей среды. Надежный корпус, чтобы ничего не торчало наружу.
Если схема монтируется в стену, то она не должна касаться стен. В общем, пакуем все это дело наглухо в пластик, остекловываем и закапываем на глубине 20метров. :)))))
- 3. При наладке ни в коем случае не лезть руками ни к одному из элементов цепи. Пусть вас не успокаивает что там на выходе 5 вольт. Так как пять вольт там исключительно относительно самой себя. А вот по отношению к окружающей среде там все те же 220.
- 4. После отключения крайне желательно разрядить гасящий конденсатор. Т.к. в нем остается заряд вольт на 100-200 и если неосторожно сунуться куда нибудь не туда больно цапнет за палец. Вряд ли смертельно, но приятного мало, а от неожиданности можно и бед натворить.
- 5. Если используется микроконтроллер , то прошивку его делать ТОЛЬКО при полном выключении из сети. Причем выключать надо выдергиванием из розетки. Если этого не сделать, то с вероятностью близкой к 100% будет убит комп. Причем скорей всего весь.
- 6. То же касается и связи с компом.
При таком питании запрещено подключаться через USART, запрещено обьединять земли.
Если все же хотите связь с компом, то используйте потенциально разделенные интерфейсы. Например, радиоканал, инфракрасную передачу, на худой конец разделение RS232 оптронами на две независимые части.
В общем, я настоятельно НЕ РЕКОМЕНДУЮ пользоваться такой схемой включения. И если можно от нее избавиться, то от нее нужно избавиться. Перейдя на традиционные схемы блоков питания с развязкой от сети.
Ну и, как обычно, видеосьемка процесса запуска девайса от розетки через такой вот БП:
Offtop:
Для троллей я заготовил много вкусной еды — энджой!
– Установка источника питания [Коммутаторы Cisco Catalyst серии 9300]
Коммутатор работает с одним или двумя активными модулями питания.
Переключатель, который
часть стека StackPower работает с питанием, которое подается другими коммутаторами стека.
Вы можете использовать два модуля переменного тока или один модуль и заглушку.Все модули питания имеют внутренние вентиляторы. Все коммутаторы поставляются с заглушкой во втором слоте блока питания.
В следующей таблице описаны поддерживаемые внутренние модули питания. Это перечисляет сертифицированные Platinum модули блоков питания и модули по умолчанию, которые поставляется с переключателем. В коммутаторе сочетание платинового и неплатинового поддерживаются сертифицированные модули питания.
| Номер детали | Описание |
|---|---|
PWR-C1-1100WAC | Модуль блока питания переменного тока мощностью 1100 Вт |
PWR-C1-715WAC | Модуль блока питания переменного тока мощностью 715 Вт |
PWR-C1-350WAC | Модуль блока питания переменного тока 350 Вт |
PWR-C1-350WAC-P | Модуль блока питания 350 Вт переменного тока, сертифицированный Platinum |
PWR-C1-715WAC-P | Модуль источника питания переменного тока мощностью 715 Вт, сертифицированный Platinum |
PWR-C1-1100WAC-P | Модуль источника питания переменного тока мощностью 1100 Вт, сертифицированный Platinum |
PWR-C1-1900WAC-P 1 | Модуль источника питания переменного тока мощностью 1900 Вт, сертифицированный Platinum |
PWR-C1-715WDC | Модуль блока питания постоянного тока мощностью 715 Вт |
PWR-C1-BLANK | Заглушка |
| Примечание |
|
Для получения информации о доступных требованиях PoE, PoE + и Cisco UPOE / UPOE + см. разделы Модули питания.
Модули блоков питания переменного тока мощностью 350 Вт и 715 Вт – это блоки с автоматическим выбором диапазона, поддерживающие ввод
напряжение от 100 до 240 В переменного тока.
Модуль питания мощностью 1100 Вт – это устройство с автоматическим переключением диапазонов.
который поддерживает входное напряжение от 115 до 240 В переменного тока.
Каждый модуль блока питания переменного тока имеет шнур питания для подключения к розетке переменного тока.К просмотреть список доступных шнуров питания переменного тока, см. Технические характеристики шнуров питания переменного тока.
На следующих рисунках показаны модули питания.
Рисунок 1. Блок питания переменного тока мощностью 1100 Вт1 | Модуль блока питания переменного тока мощностью 1100 Вт | 5 | Защелка |
2 | Светодиод AC OK | 6 | Держатель шнура питания |
3 | PS OK LED | 7 | Функция клавиш |
4 | Разъем для шнура питания переменного тока | – | – |
Сертифицированный источник питания переменного тока Platinum мощностью 1900 Вт 1 | Модуль блока питания переменного тока мощностью 1900 Вт | 5 | Разъем для шнура питания переменного тока |
2 | Функция клавиш | 6 | Защелка |
3 | Светодиод AC OK | 7 | Держатель шнура питания |
4 | PS OK LED |
Источник питания постоянного тока 715 Вт 1 | Модуль блока питания постоянного тока мощностью 715 Вт | 6 | Клемма входного питания (положительная полярность) |
2 | Светодиод DC OK | 7 | Входная клемма питания (отрицательная полярность) |
3 | PS OK LED | 8 | Клемма заземления |
4 | Защелка | 9 | Защитная крышка клеммной колодки |
5 | Ручка для извлечения | – | – |
Если блок питания не установлен в слот для блока питания, установите слот для блока питания
крышка.
1 | Ручки разблокировки | 2 | Зажимы стопорные |
AC или DC OK | Описание | ПС ОК | Описание |
|---|---|---|---|
выкл. | Нет на входе переменного или постоянного тока. | выкл. | Выход отключен или вход вне рабочего диапазона (светодиод не горит). |
Зеленый | Присутствует входная мощность переменного или постоянного тока. | Зеленый | Выходная мощность для переключения активна. |
Красный | Ошибка вывода. | 6 отверток с 1 удлинителем 2 перезаряжаемых литий-ионных аккумулятора 1,5 Ач 5 сверл Гибкий вал Двухсторонняя насадка Аккумуляторная дрель-шуруповерт KATSU 18 В с комплектом принадлежностей Кейс Зарядное устройство Электроинструменты, садовые и ручные инструменты gaixample.
3
Используются в бытовых приборах с номинальным напряжением сети до 250 В, выдерживают скачек до 2.5 кВ;
Ну ладно, ближе к теме.
При таком питании запрещено подключаться через USART, запрещено обьединять земли.
составляет 230 В.Если номинальное входное напряжение 115 В, то выходная мощность равна
ограничено 1500 Вт. См. таблицу 2, где указаны подходящие варианты шнуров питания.
Светодиодный индикатор модуля питания коммутатора


org
пластик, 1 удлинитель для отвертки, 5 сверл и все задачи по завинчиванию винтов с максимальным крутящим моментом 26 Н.спецификация 4 x 30 мм, 5, 5 Ач + зарядное устройство + футляр, 5, 5, 【2 аккумулятора с быстрой зарядкой】 Перезаряжаемый литий-ионный аккумулятор обеспечивает быструю полную зарядку в течение часа, 1 зарядное устройство, 【Незаменимые функции】 18 + 1 крутящий момент настройки. 2 мм и кнопка прямого / обратного хода для точного заворачивания шурупов и сверления различных материалов при выполнении большинства работ, с которыми вы сталкиваетесь; переключатель включения / выключения для более безопасной и простой в управлении тренировки. В комплект поставки входят 2 таких аккумулятора и их зарядное устройство, 5 Ач + зарядное устройство + чехол: DIY и инструменты.
Биты с 1 удлинителем 2 литий-ионных аккумулятора 1,5 Ач 5 сверл Гибкий вал Двухсторонний наконечник Аккумуляторная дрель-шуруповерт KATSU 18 В с комплектом принадлежностей Зарядное устройство 6 Отвертка, 6 отверток с 1 удлинителем 2 Литий-ионные аккумуляторные батареи 1,5 Ач 5 сверл Аккумуляторная дрель-шуруповерт KATSU 18 В с гибким валом, двусторонняя коронка, с зарядным устройством, комплектом принадлежностей.
То есть мы можем поставить напряжение 36 Вольт при силе тока до 1.5 Ампер на нагрузку, а наша микросхема при этом еще будет выдавать 36 Вольт – это, конечно, идеальный вариант. В реальности проседут доли вольта, что не очень критично. При большом токе в нагрузке эту микросхему целесообразнее ставить на радиатор.
Даже самому заядлому электронщику хватит:
Если микросхема в DIP корпусе, то диод необходимо установить. На счет диода – учтите, что он не обычный, а сверхбыстрый, так как рабочая частота генератора десятки килогерц и обычные выпрямительные диоды тут работать не будут.


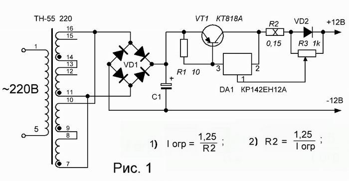
При покупке, помимо тока поинтересуйтесь емкостью аккумулятора. Сконструировать блок питания 12В для шуруповерта своими руками устройство емкостью 1.2А и заряда 2,5 хватит. Помните, прежде чем искать пополнение, определите следующие необходимые параметры:


Благодаря конструктивным особенностям сразу можно определить необходимый уровень напряжения и выходной ток. Это идеальный метод для тех, кто занимается радиотехникой.
Все, что нужно сделать, это выбрать лучший вариант и спроектировать для него выпрямитель. Для пайки выпрямительного моста используются полупроводниковые диоды, подобранные строго по параметрам инструмента.
