Схема сварочного инвертора. План сварочного инвертора. Появление сварочных инверторов. Принципиальная и электрическая схемы, принципы их работы.
ИИСТ (инверторные источники сварочного тока) в наше время практически целиком вытеснили своих предшественников — трансформаторные источники, принцип работы которых базируется на понижающем трансформаторе. Подобные трансформаторы работали на частоте электросети — 50-65 Гц и были довольно громоздкими устройствами. Схема сварочного инвертора отличается от трансформаторного и далее мы поясним, чем именно.
Содержание
- Появление сварочных инверторов
- Принципиальные и электрические схемы
- Виды сварочных инверторов и их схемы
Появление сварочных инверторов
Шествие ИИСТ по планете началось в 90-х годах двадцатого века и сейчас можно с уверенностью заявить, что на рынке сварочных агрегатов как промышленного, так и домашнего назначения лидером являются именно инверторные сварочные установки.
Сейчас они повсеместно используются:
- в дуговой сварке неплавящимися и штучными электродами;
- в сварке автоматической и полуавтоматической;
- в сварке алюминиевых деталей, плазменной резке и в иных видах электросварки.
Что такое ИИСТ и чем он отличается от классических, трансформаторных источников сварочного тока? Это аппарат для сварки, работающий по принципу компьютерного блока питания, то есть, как импульсный БП. От трансформаторных агрегатов сварочный инвертор отличается гораздо меньшими размерами и, наоборот, значительно превосходящими частотами. То есть, если трансформаторные аппараты работают на частоте 50 Гц (частота тока в сети в РФ и других странах), то сварочные инверторы имеют частоту 55-75 кГц.
Такой подход позволяет серьёзно уменьшить размеры аппарата, а также снизить издержки на его производство — катушка в инверторном источнике тока меньше трансформаторной в разы, соответственно, меньше требуется дорогостоящей меди.
Принципиальные и электрические схемы
Принципиальная схема сварочного инвертора основывается на блоке высокочастотных транзисторов, работающих на частоте 55-75 кГц.
Эта электрическая схема сварочного инвертора работает как источник питания для транзисторного блока ИИСТ. Транзисторы работают на повышенной частоте в 60-80кГц, соответственно, понижающий трансформатор тоже будет работать на этой частоте. Соответственно, данный факт позволяет серьёзно уменьшить размеры трансформатора и всего сварочного инвертора. Как результат — сварочный аппарат становится намного меньше его классического собрата, но при этом сохраняет такую же мощность.
Итак, если рассмотреть принцип работы сварочного аппарата инверторного типа, то порядок действий, выполняемых устройством, будет следующий:
- Переменный ток 220В, получаемый из электросети выпрямляется диодным мостом.
В качестве предосторожности, чтобы помехи от работы высокочастотных конденсаторов не попадали в сеть, перед мостом устанавливается помеховый фильтр, препятствующий этому. - После этого ток выравнивается конденсаторами и поступает на транзисторный блок. Надо отметить, что на конденсаторах напряжение тока будет примерно в 1,5 раза выше, чем на выходе диодного моста.
- Постоянный ток направляется транзисторами через первичную обмотку понижающего трансформатора с частотой, кратно превышающей исходную. По факту, мы получаем высокочастотный переменный ток.
- Далее этот ток поступает в понижающий высокочастотный трансформатор, отличающийся большим сечением вторичной обмотки или же использованием других типов обмоточного материала.
- Трансформатор понижает ток до напряжения 50-70В. В это же время сила тока кратно вырастает и может превысить 130А. В кустарных сборках могут использоваться трансформаторы со вторичной обмоткой из медной жести толщиной 0.3 и шириной 40 мм.
Такой подход обусловлен тем, что высокочастотные токи вытесняются на поверхность проводника и сердцевину толстого проводника не задействуют, что вызывает нагрев проводника.
После этого выпрямление полученного тока выходными диодами. Нюанс работы выходного диода в том, что ему приходится работать с высокочастотным током, а с этим справится не каждый диод. В данной ситуации необходимо использовать быстродействующие диоды со временем восстановления менее 50 наносекунд, поскольку обычные диоды просто не будут успевать срабатывать, учитывая частоту поступающего тока.
В итоге на выходе мы получаем необходимый для сварки постоянный ток низкого напряжения, но крайне высокой силы тока.
Такова принципиальная схема работы источника инверторного сварочного тока. В каждой конкретной модели присутствуют различия, заложенные производителем, дополнительные схемы, увеличивающие надёжность и безопасность устройства, например, блок термоконтроля, который защищает основные элементы агрегата от перегрева, а также управляет системой охлаждения.
Но, несмотря на различия в деталях, все инверторные сварочные аппараты работают по приведённому выше принципу.
Виды сварочных инверторов и их схемы
В качестве примера можно посмотреть на отечественные сварочные инверторы Ресанта. Компания поставляет как стандартную линейку инверторов различной мощности, так и компактные версии инверторов, некоторые из которых могут поместиться в небольшой кейс. На этом же принципе работают плазменные резаки и аргонодуговые сварочные аппараты Ресанта.
Также на рынке есть и зарубежные производители, к примеру, немецкая компания FUBAG. Немцы предлагают крайне надёжные агрегаты, как многофункциональные, так и узкоспециализированные. Плюс немецкие аппараты могут похвастаться большим количеством дополнительных функций. Это принудительное охлаждение, работа на пониженных мощностях, дополнительная подстраховка сварщика, микропроцессорное управление и многое другое.
Кроме того, при желании, можно собрать сварочный инвертор своими руками.
Процесс сборки не займёт много времени, достаточно обладать начальными познаниями в электротехнике. Принципиальные схемы инверторов есть в открытом доступе, изготовление печатной платы непосредственно самого силового блока не составит большого труда. Доступность элементной базы для изготовления инвертора очень высока, однако понижающий трансформатор лучше всего будет сделать самостоятельно, чтобы избавиться от проблемы высокого нагрева трансформатора. Главное — не забывать про помеховый фильтр для защиты собственной электросети.
Схема сварочного инвертора: принципиальная электрическая схема аппарата
Схема и схема значительно отличаются друг от друга. Во втором случае базу ранних агрегатов, чтобы провести сварочные работы, составляют трансформаторы с понижающим типом, что придает им габаритность и тяжесть.
На сегодняшний день современное оборудование, за счет частой эксплуатации во время производства, стало легким, компактным, с широким спектром возможностей и особенностей.
Главный элемент в электросхеме сварочных инверторов заключается в импульсивном преобразователе, благодаря которому вырабатывается высокочастотный ток.
Содержание
- Классификация инверторов
- Схема инвертора для сварки
- Принцип работы схемы аппарата для сварки
- Достоинства и недостатки сварочных аппаратов инверторного типа
- Итог
Классификация инверторов
Каждый отдельный тип сварочных работ подразумевает использование определенного инверторного оборудования, которое необходимо ещё правильно выбрать. У каждой модели есть схема с особенностями, отличной характеристикой от других агрегатов и спектром возможностей.
Оборудования от современных производителей одинаково используются предприятиями в производственной сфере, а также любителями бытовой эксплуатации.
Изготовители регулярно изменяют принципиальные электрические схемы для того чтобы усовершенствовать их, наделить новым функционалом и повысить качество их технических характеристик.
Инверторное оборудование является основным устройством, при помощи которого выполняют такие технологические операции:
- электродуговая сварка с использованием плавящего либо неплавящегося электрода;
- плазменная резка;
- работы со сваркой по технологии полуавтоматики либо автоматики.
Помимо перечисленного, инверторное оборудование также считается самым эффективным способом, чтобы сварить алюминиевые детали, элементы из нержавеющей стали и иных материалов со сложной свариваемостью.
Несмотря на индивидуальные особенности каждой модели и каждой электросхемы, в результате инвертор для сваривания делает шов качественным, надежным и аккуратным, вне зависимости от использованного вида технологий.
Стоит также отметить, что он отличается компактностью, легким весом, благодаря чему его можно использовать при любых условиях, отнести в любое место, где проводится сварочный процесс.
Схема инвертора для сварки
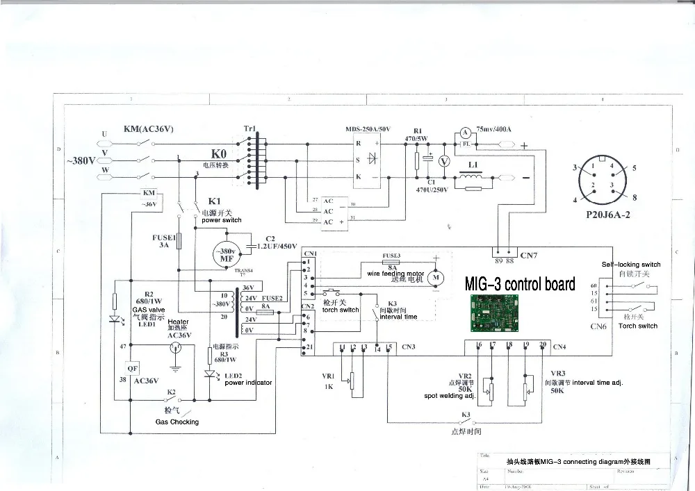
Электрическая схема сварочного инвертораСхема инверторного сварочного агрегата имеет особенную характеристику и функционал, в который входят следующие составляющие:
- Орган управления и индикации.
- Система, отвечающая за работу термической защитной функции и управлением охлаждающим вентилятором.
Сюда также относят вентилятор самого инверторного аппарата и датчик с температурными показателями. - Электрические принципиальные схемы подразумевают под собой наличие ШИМ-контроллера, состоящий из трансформатора с током, датчика с током нагрузки.
- Система питания на детали слаботочного участка электросхемы аппаратного инвертора для сварки.
- В преобразователе схемы может устанавливаться механизм, благодаря которому в силовую систему аппарата поступает электропитание.
Сюда относится емкостный фильтр, выпрямитель, а также нелинейная зарядная цепь. - Силовая часть с однотактным конвертором.
В неё также входят: силовой трансформатор, выпрямитель вторичного типа и дроссель для выхода тока.
В каждом описании принципиальной должна быть краткая характеристика всех составляющих элементов.
Принцип работы схемы аппарата для сварки
Основной целью инверторного сварочного агрегата является создание тока с высокой мощностью, который формируется в электрическую дугу. Та, в свою очередь, плавит кромки свариваемых элементов и присадочный материал.
Все это происходит на большом диапазоне особенностей конструкции. Стоит также отметить и то, что схема сварочного аппарата помогает в ИПС ремонте любого устройства.
Схема инвертора для сварочных работ.Примерно механизм действия электронной схемы выглядит следующим образом:
- Ток с переменной частотой в 50 гц через обычную электрическую сеть попадает в выпрямитель, в котором преобразовывается ток в постоянный.
- Затем ток происходит обработку для сглаживания за счет использования специализированной системы.

- После фильтра ток оказывается в самом инверторе, который, в свою очередь, должен переформировать его обратно в переменный, однако прибавляя к нему высокую частоту.
- Затем, применяя трансформатор, снижается напряжение в переменном токе с высокими частотами, благодаря чему усиливается его действие.
Чтобы более детально разобраться во всех нюансах принципиальной схемы сварочного инвертора, необходимо изучить все элементы по отдельности с их механизмом действия.
Инверторный сварочный аппарат, как и любая другая техника, имеет свои достоинства и недостатки.
Схема сварочного аппарата инверторного типа.К основным преимуществам этого оборудования, которое так умело заменило обычный трансформатор, можно отнести:
- За счет нового подхода к производству конструкций инверторного типа для сваривания металлов, а также новому контролю за током большинство моделей весит от 5 до 12 килограмм, в отличие от трансформаторов, которые имеют вес в 18-35 килограмм.

- У данных устройств есть достаточно высокий показатель КПД. Это происходит благодаря тому, что аппарат потребляет минимальное количество энергии для нагрева всех систем и механизмов. К примеру, трансформатор для сварки быстро нагревается, что приводит к перегреву и выходу из строя оборудования.
- В некоторых электросхемах трансформатора, также как и в инверторах, сварка может проходить при помощи электродов вне зависимости от его вида.
- Рассматриваемые устройства, за счет повышенного показателя КПД, тратят электроэнергию вдвое меньше, нежели простой трансформатор для сваривания.
- Многие современные оборудования имеют в своей структуре опции, благодаря которым минимизируется процесс совершения ошибок мастера во время технологических работ. К таким опциям можно отнести антизалипание и быстрый розжиг дуги.
- В некоторых устройствах встроена функция программирования, благодаря которой мастер с точностью и максимальной оперативностью регулирует режим работы во время сварочного процесса конкретного вида.

- Наличие высокое универсальности данных конструкций обуславливается регулированием всех систем, используя ток в широком диапазоне. Это дает возможность применять оборудование, что сваривает разнометалловые детали и выполняет процедуру с любой технологией.
У схем также имеются и недостатки.
Они заключаются в следующих аспектах:
- Инверторные оборудования сваривания на рынке стоят достаточно дорого, до 50% больше, чем цена классических трансформаторов для сварочных работ.
- Принципиальная электрическая схема инверторного сварочного аппарата подразумевает, что чаще всего будет ломаться такой механизм, как транзистор.
Он является достаточно уязвимой деталью, что влечет за собой ремонт стоимостью до 60% от стоимости всего оборудования. Из этого можно сделать вывод, что ремонт сам по себе – дорогое удовольствие. - Поскольку принципиальные электросхемы у инверторов, чтобы сваривать материал, являются достаточно сложными, специалисты не советуют их эксплуатировать во время плохой погоды, либо на морозе, чтобы не вывести из строя механизмы и сохранить аппарат на долгий период.
Для сварочных работ в поле либо других открытых пространствах необходимо организовать и соорудить специальное закрытое место с отоплением, где можно будет воспользоваться данным агрегатом для сваривания.
Итог
Для некоторых специалистов схема сварки представляет собой дополнительную подсказку при сборке агрегатов для сваривания металлов, что позволяет быстро выполнить нужную работу. Достаточно важно обладать базовыми познаниями в сфере электротехники.
Доступность схем сварочных инверторов обуславливается их принципиальностью, иными словами любому мастеру для сборки понадобиться либо инструкция, либо чертежи. Стоит обратить внимание, что в принципиальных электрических схемах делается акцент на достижение стабильности высокого уровня у сварочной дуги.
Обзор типовой схемы инверторной сварки
01.
09.2018
Устойчивая тенденция снижения цен на сварочные аппараты инверторного типа привела к значительному росту популярности этого оборудования как среди профессионалов, так и среди тех, кто использует сварку только для собственных нужд. Вполне понятно, что многих пользователей, имеющих такое устройство, интересует его устройство и принцип работы, ведь информация такого рода поможет отремонтировать технику в случае неисправности или даже улучшить недорогую модель с «урезанным» функционалом. Как мы увидим далее, разобраться с этими вопросами совсем не сложно, достаточно иметь базовые знания электротехники.
Инверторный сварочный аппарат.
Общая информация
Электрическая схема различных моделей сварочных инверторов может отличаться в некоторых деталях, но в общих чертах все эти устройства работают по одному принципу. Основной задачей каждого из них является преобразование электрической энергии, поступающей из сети, таким образом, чтобы на выходе получить большой ток.
Процесс переделки делится на несколько этапов:
Дроссельный контур сварочный инвертор.
- выпрямление переменного тока от сети;
- Преобразование постоянного тока обратно в переменный, но с более высокой частотой колебаний;
- усиление переменного тока высокой частоты за счет понижения его напряжения;
- Выпрямление усиленное переменного тока высокой частоты.
Любой, кто хоть немного разбирается в компьютерном «железе», наверняка знает, что импульсный блок питания персонального компьютера работает точно так же. Центральным моментом этой схемы является увеличение частоты переменного тока, и именно эту задачу выполняет инвертор. Для чего это? Дело в том, что габариты и вес трансформатора зависят не только от его мощности, но и от частоты тока, для преобразования которого он предназначен. Чем ниже частота, тем массивнее и крупнее трансформатор. Эта зависимость очень существенна. Так, например, при четырехкратном увеличении частоты переменного тока габариты трансформатора уменьшаются вдвое.
Инверторная схема поднимает частоту электрического тока с 50 Гц до 60-80 кГц, так что выигрыш в весе и размерах вполне ощутим. В результате мы получаем легкий и компактный сварочный аппарат, для производства которого требуется гораздо меньше материалов, в том числе и дорогой меди.
Далее подробно рассмотрим основные блоки инверторного аппарата и их взаимосвязь.
Вернуться к оглавлениюБлок питания: сетевой выпрямитель
Схема инверторного сварочного аппарата.
Особенность схемы инвертора в том, что для его работы необходим постоянный ток. Поэтому выпрямлению в первую очередь подвергается переменный ток обычной электросети, питаемый напряжением 220 В и частотой 50 Гц. В схему выпрямителя входит диодный мост и два конденсатора, задача которых сглаживать пульсации. Из-за большой силы тока диодный мост в процессе работы достаточно нагревается, поэтому он снабжен радиатором с термопредохранителем. Последний осуществляет размыкание цепи при нагреве до температуры 90 градусов.
На выходе диодного моста получается пульсирующий постоянный ток напряжением 220 В, а на конденсаторах увеличивается в 1,41 раза и составляет уже 310 В. С учетом возможности начального скачка напряжения в сторону увеличения, конденсаторы, выдерживающие напряжение до 400 В (соответствует начальному напряжению 280 В).
Сетевой выпрямитель подключается к источнику питания через фильтр электромагнитной совместимости, предотвращающий попадание высокочастотных помех от работы инвертора в электросеть.
Цепь питания инверторного сварочного аппарата.
Сразу после включения сварочного аппарата зарядный ток, подаваемый на конденсаторы, может достигать значения, достаточного для отключения диодного моста. Чтобы этого не произошло, все типы сварочных инверторов оснащены схемой плавного пуска. Реализуется с помощью реле и резистора, мощность которого около 8 Вт, а сопротивление около 50 Ом (в разных моделях сварочных инверторов характеристики резистора могут отличаться от указанных).
Резистор включен в цепь выпрямителя и в момент включения сварочного аппарата ослабляет пусковой ток. После выхода оборудования в рабочий режим срабатывает реле, которое замыкает выводы резистора, чтобы ток протекал уже «мимо» его.
Инвертор: принцип работы
Электрическая схема инвертора, которым комплектуются сварочные аппараты данного типа, включает два ключевых транзистора, которые соединены по принципу «косого моста». Их особенность в том, что они могут переключаться с очень высокой частотой, от 60 до 80 кГц. В этом случае постоянный ток, поступающий в инвертор, преобразуется в переменный ток той же частоты. От обычного тока в электрической сети он отличается и своей характеристикой: он не синусоидальный, а прямоугольный.
Ключевые транзисторы установлены на радиатор, что позволяет избежать перегрева. Защита от чрезмерных напряжений обеспечивается демпферной цепью RC.
Вернуться к содержаниюВысокочастотный (импульсный) трансформатор
Принцип работы инвертора.
Основной частью любого сварочного аппарата является понижающий трансформатор. Его конструкция в инверторных устройствах почти такая же, как у обычных, но при этом более компактная. Еще одним важным отличием является наличие дополнительной вторичной обмотки, которая используется для питания схемы управления.
Первичная обмотка высокочастотного трансформатора питается переменным током, вырабатываемым инвертором, напряжением 310 В и частотой несколько десятков килогерц. На выходе вторичной обмотки, имеющей меньшее число витков, напряжение снижается до 60-70 В, а ток увеличивается до 110-130 А. Ему остается пройти еще один, последний этап.
Вернуться к содержаниюВыходной выпрямитель
Ток, поступающий от высокочастотного трансформатора, нужно превратить в постоянный — именно такой ток нужен для сварки. Для этого инверторный сварочный аппарат снабжен выходным выпрямителем, электрическая цепь которого состоит из сдвоенных диодов с общим катодом. Отличаются от обычных диодов высоким быстродействием.
Цикл открытия-закрытия этих элементов составляет всего 50 наносекунд (эта характеристика называется временем восстановления). Это качество необходимо для работы с токами сверхвысокой частоты.
Диоды выходного выпрямителя также установлены на радиаторе, и для их защиты данный блок снабжен RC-цепочкой.
Вернуться к содержаниюАппарат пусковой цепи
Способы подключения сварочного инвертора.
В момент включения устройства от сетевого выпрямителя питание подается на схему управления через 15-вольтовый стабилизатор.
После запуска управляющей схемой ключевых транзисторов инвертора на дополнительной вторичной обмотке высокочастотного трансформатора появляется напряжение. Он выпрямляется диодами и через все тот же стабилизатор начинает питать схему управления, при этом он отключен от сетевого выпрямителя.
Вернуться к содержаниюСхема управления
Координация работы преобразователя тока инверторного типа по схеме управления. Его основным элементом является микросхема ШИМ-контроллера.
Задача этой микросхемы – коммутация ключевых транзисторов инвертора. Их работой управляет ШИМ-регулятор не напрямую, а посредством двух последовательных элементов: полевого транзистора и разделительного трансформатора.
Преобразование тока в сварочном инверторе.
От полевого транзистора высокочастотный (около 65 кГц) ток с прямоугольной характеристикой поступает на первичную обмотку разделительного трансформатора. Трансформатор преобразует напряжение этого тока в значение, которое необходимо для управления ключевыми транзисторами инвертора. Сигналы на них поступают с двух вторичных обмоток разделительного трансформатора, причем каждая из обмоток подключена к одному транзистору.
Кроме этих элементов электрическая схема платы управления и контроля содержит вспомогательные транзисторы, помогающие закрываться ключевым транзисторам схемы инвертора, и стабилитроны, защищающие их от скачков напряжения. Также имеется анализатор-ограничитель тока. Основным элементом анализатора является трансформатор, который включен в первичную цепь высокочастотного трансформатора, установленного в блоке питания.
Анализатор-ограничитель контролирует ток в преобразователе сварочного аппарата и использует сигналы с первичной обмотки силового трансформатора для регулировки сварочного тока и формирования импульсов, передаваемых на микросхему ШИМ-контроллера.
Для регулирования сварочного тока в электрическую цепь блока управления включается переменный резистор, сопротивление которого устанавливается поворотом ручки на панели управления инверторного сварочного аппарата.
Вернуться к содержаниюКонтроль мощности и напряжения сети
Функциональность сварочного инвертора.
Помимо всего вышеперечисленного, задачей схемы управления сварочным аппаратом является контроль напряжения в сети и на выходе выпрямителя. Для этого его электрическая схема дополнена операционным усилителем. Некоторые его элементы подключены к сетевому выпрямителю для обнаружения скачков напряжения в электросети. При нарушениях эти элементы воспроизводят сигналы защиты по току и напряжению, поступающие на модуль суммирования и далее на генератор импульсов ШИМ-контроллера.
Работа генератора, следовательно, всей цепи блокируется.
Аналогично контролируется рабочее напряжение на выходе преобразователя. Его значение может отклоняться от нормы при неисправности в работе диодного моста сетевого выпрямителя или других элементов. В этом случае цепь управления также отключается.
Блокировка цепи сопровождается подачей напряжения на сигнальный диод, оповещающий пользователя сварочного аппарата о неисправностях.
Вернуться к содержаниюИнструкция по ремонту сварочного аппарата-инвертора
Как и любое оборудование, инверторные сварочные аппараты могут выйти из строя. Часто наблюдается следующий симптом: прибор вроде бы полностью исправен (светится «нормальный» дисплей, слышно вентилятор в корпусе), но искры при контакте электрода с металлом не возникает. Иногда можно услышать необычный гул. В некоторых случаях ремонт устройства можно провести своими силами, без привлечения специалистов сервисной компании.
Схема сварки тонкого металла инверторной сваркой.
По инструкции в первую очередь следует проверить мультиметром состояние термопредохранителей, установленных на радиаторах различных элементов силового агрегата. Температура, при которой их контакты размыкаются, обычно составляет 90 градусов. Отдельные виды таких предохранителей одноразовые, после срабатывания их приходится менять. Другие размыкают цепь при перегреве, но при остывании радиатора снова восстанавливают связь. Такие элементы можно устанавливать на первичные обмотки силовых трансформаторов. Их срабатывание часто вводит в заблуждение любителей электротехники, которые думают, что в обмотке произошел обрыв. При обнаружении неисправного термопредохранителя можно попробовать замкнуть его контакты. Этот вариант подходит в качестве временного «лечения», он позволит закончить работу, если она срочная.
Поскольку защита от перегрева теперь частично отсутствует, эксплуатировать сварочный аппарат следует очень осторожно, полностью. А по завершению работ следует сразу же двинуться в магазин радиодеталей для приобретения запчасти.
Еще одним «чувствительным» местом сварочных инверторов является выходной выпрямитель, точнее входящие в его состав диоды. Токи, с которыми им приходится работать, достигают 130 А и иногда вызывают пробой этих диодов.
Неработоспособность выходного выпрямителя легко проверить мультиметром, но без «прозвонки» каждого диода в отдельности определить, какой из них пробит, невозможно. Диоды (здесь используются три сдвоенных диода) придется выпаивать и вынимать из радиатора, к которому они прикручены. Радиатор тоже придется снимать.
Управление сварочным инвертором.
Пайка диодов и других элементов может быть затруднена. В современных сварочных инверторах пайка производится очень качественно, с большим количеством припоя, особенно в тех местах, где есть сильноточные токи. Кроме того, используется бессвинцовый припой, температура плавления которого выше, чем у обычного свинцово-оловянного. Поэтому для пайки диодов и других элементов лучше использовать мощный паяльник на 50 Вт, 40-ваттного может не хватить.
Задача усложняется тем, что нужно отпаивать три вывода одновременно, поэтому без хорошего прогрева не обойтись. Чтобы удалить припой, вы можете использовать демонтажный припой или медную оплетку.
После обнаружения пробитого диода (в сдвоенных диодах могут быть пробиты обе детали) следует купить новый, такой же или аналогичный. Пользователю следует обратить внимание на важный факт: диоды выходного выпрямителя быстродействующие, их время восстановления составляет всего 50 нс. Только такие элементы могут работать при частоте переменного тока 60-80 кГц. Обычные диоды сюда ставить нельзя. В зарубежных спецификациях быстродействующие диоды могут обозначаться как Hyper-Fast, Ultra-Fast, Stealth Diode, Super-Fast, High Frequency Secondary Rectifier и т. д.
Перед монтажом диодов или ключевых транзисторов на радиатор следует нанести свежий слой теплопроводной пасты (КПТ-8 или аналогичной). Паста должна наноситься в достаточном количестве, но не слишком обильно. Он обеспечивает отвод тепла от элемента в сторону медного или алюминиевого радиатора.
Паять диоды нужно очень аккуратно. Из-за большой силы тока в некачественных соединениях будет наблюдаться сильный нагрев и значительные потери мощности.
Бывает, что по неосторожности при демонтаже радиатора были повреждены медные дорожки и «заплатки» платы, они наращены медной луженой проволокой и правильно припаяны.
Простой инвертор для аппаратов дуговой сварки с удвоителем тока
- title={Простой инвертор для аппаратов дуговой сварки с удвоителем тока},
автор = {Цзяньминь Ван и Сен-Тунг Ву и Шан-Чин Йен и Хуан Джен Чиу},
Journal={Транзакции IEEE по промышленной электронике},
год = {2011},
объем = {58},
страницы={5278-5281}
}
- Jianmin Wang, Sen-Tung Wu, H. Chiu
- Опубликовано 10 марта 2011 г.
- Бизнес
- IEEE Transactions on Industrial Electronics
В этом письме предлагается новая схема инвертора для аппаратов дуговой сварки.
Выходной выпрямитель, замененный двойным выпрямителем по току, может эффективно уменьшить пульсации выходного тока. Следовательно, более низкая индуктивность катушек индуктивности может использоваться для предотвращения больших скачков напряжения, возникающих во время коммутации. По сравнению с традиционной схемой ток каждой катушки индуктивности в предлагаемой схеме составляет половину выходного тока. Следовательно, предлагаемая схема имеет меньшие потери проводимости. Поворот… Посмотреть на IEEE
doi.org
Новый инвертор для дуговых сварочных машин
- Jianmin Wang, Sen-Tung Wu
Материаловые науки, инженер
IEEE Transcation Структура схемы с новым инвертором, который применим к аппаратам для дуговой сварки и может сохранять энергию, запасенную в соединенном индукторе, до следующего интервала коммутации, что повышает эффективность преобразования аппарата для дуговой сварки.
Внедрение улучшенного источника питания с простыми инверторами для аппарата для дуговой сварки
- Цзяньминь Ван, Сен-Тунг Ву
Инженерное дело
- 2015
Резюме В статье представлено простое управление инвертором рекуперации энергии без скачков напряжения.
Предлагаемый инвертор может быть использован для аппаратов дуговой сварки. Выход инвертора имеет два…Повышение эффективности для высокочастотной контактной точечной сварки
Точечная сварка сопротивлением использует постоянный ток в диапазоне от 1 кА до более чем 100 кА для соединения листового металла. Ток обеспечивается инвертором, подключенным к конденсатору и трансформатору постоянного тока…
Повышение производительности источника питания для ручной сварки на основе резонансного режима
- S. S. Sisodia, H. Lade
Engineering
- 2017
В этом документе описываются усовершенствования, разработанные в источнике питания для дуговой сварки на основе резонансных инверторов. Предлагается новая последовательность операций в режиме ожидания, основанная на скользящей фазе, чтобы уменьшить…
Аппарат для дуговой сварки с полумостовым передним преобразователем
- Y.
Birbir Инженерное дело
- 2017
Импульсный блок питания токового режима с минимальным количеством внешних компонентов.
Высокопроизводительный портативный сварочный аппарат на основе мостового преобразователя с одиночным трансформатором, подключенным по стандарту ISOP, и активным снаббером
Высокоэффективный переносной сварочный аппарат на основе мостового преобразователя с одиночным трансформатором, соединенным последовательно-выход-параллельно (ISOP), с методом активного демпфирования, предложенный для повышения общего КПД за счет рекуперации паразитной резонансной энергии и регулирования напряжения. выпрямителей до уровня доступных диодов Шоттки.
Новый инверторно-дуговой сварочный аппарат на базе преобразователя ПСФБ с высокой удельной мощностью и высоким КПД
- И. Аксой
Материаловедение, машиностроение
- 2014
Результаты экспериментов показывают, что предложенная система имеет многообещающие возможности для промышленного применения и может быть реализована с цифровым сигнальным процессором (DSP) и ИС фазового ШИМ.

Бесмостовой преобразователь с улучшенным качеством электроэнергии на основе PFC для сварки
Дуговая сварка выполняется с использованием различных технологий, и в большинстве из них для формирования дуги используется преобразователь сварочной мощности. В этом документе представлена двухступенчатая безмостовая схема с коррекцией коэффициента мощности (PFC)…
ZVZCS PWM DC-DC Converter с контролируемым вторичным выпрямителем для дуговой сварки
- J. Dudrik, M. Pastor, Milan Lacko, Róbert žatkovič
Engineering
- 2016 115
- J.
Borka, M. Horváth Материаловедение
МСИЭ-99. Материалы Международного симпозиума IEEE по промышленной электронике (кат. № 99TH8465)
- 1999
ARORTERTERTERTERTERTERTERTERTERTERTERTERTERTERTERIT В данной статье описывается коммутационный (ЗВЗКС) преобразователь мощности постоянного тока в постоянный с широтно-импульсной модуляцией и вторичным активным выпрямителем, испытанный в качестве источника постоянного тока для дуговой сварки. Мягкое переключение…
Бесмостовой импульсный источник питания на основе преобразователя с улучшенным качеством электроэнергии для дуговой сварки
Результаты испытаний подтверждают эффективность предлагаемой AWPS в поддержании безупречного качества электроэнергии на интерфейсе сети, помимо достижения превосходной способности регулирования выходного напряжения и ограничения тока.

ПОКАЗАНЫ 1-10 ИЗ 13 ССЫЛОК
СОРТИРОВАТЬ ПОРелевантность Наиболее влиятельные документыНедавность
Новый энергосберегающий инвертор для аппаратов для дуговой сварки на переменном токе
В данной статье предлагается новый энергосберегающий источник питания для аппаратов для дуговой сварки на переменном токе. В таком источнике питания токорегулирующие диоды, подключенные к выходным дросселям, удерживают катушку индуктивности…
Прямоходовой преобразователь с чередованием с плавным переключением и выпрямителем с удвоением тока
В этой статье представлен преобразователь с чередованием с плавным переключением и выпрямителем с удвоением тока. В первичной обмотке трансформатора для рециркуляции энергии используется схема с активным зажимом…
Новая, простая, недорогая модульная конструкция с высоким коэффициентом мощности для сварки как постоянным, так и переменным током
Технология сварки в среде инертного газа с вольфрамовыми электродами требует постоянного тока для сварки стали и переменного тока для сварки алюминия. Широкий выбор сварочного оборудования постоянного тока доступен на рынке по адресу…
Преобразователь ZVS с чередованием и компенсацией пульсаций тока
Преобразователь чередующегося плавного переключения с компенсацией пульсаций тока представлен для обеспечения поворота переключателей нулевого напряжения (ZVS). Разделение тока включения и нагрузки, а также принципы работы, анализ устойчивого состояния и расчетные уравнения предлагаемого преобразователя представлены в деталях.
Резонансный преобразователь LCL-T с фиксирующими диодами: новый источник питания постоянного тока с присущим пределом постоянного напряжения характеристики, прочный и надежный.

Преобразователь постоянного тока в постоянный с активной фиксацией без пульсаций, использующий индуктор со связью по входу-выходу Преобразователь постоянного тока с использованием предложенного IOCI подробно проанализирован и оптимизирован для обеспечения высокой энергоэффективности.
Последовательный резонансный преобразователь для зажигания дуги
Инициирование состояния плазменной проводимости требует относительно большого напряжения для ионизации газа. Идентифицирована новая версия последовательного резонансного преобразователя мощности, в котором используется индуктивность намагничивания…
Высокий повышающий преобразователь с активными фиксаторами с удвоителем входного тока и удвоителем выходного напряжения для энергосистем на топливных элементах
Высокоэффективный высокоступенчатый преобразователь Для систем питания на топливных элементах предлагается повышающий DC-DC преобразователь.

В качестве предосторожности, чтобы помехи от работы высокочастотных конденсаторов не попадали в сеть, перед мостом устанавливается помеховый фильтр, препятствующий этому.
Такой подход обусловлен тем, что высокочастотные токи вытесняются на поверхность проводника и сердцевину толстого проводника не задействуют, что вызывает нагрев проводника.



Выходной выпрямитель, замененный двойным выпрямителем по току, может эффективно уменьшить пульсации выходного тока. Следовательно, более низкая индуктивность катушек индуктивности может использоваться для предотвращения больших скачков напряжения, возникающих во время коммутации. По сравнению с традиционной схемой ток каждой катушки индуктивности в предлагаемой схеме составляет половину выходного тока. Следовательно, предлагаемая схема имеет меньшие потери проводимости. Поворот…
Предлагаемый инвертор может быть использован для аппаратов дуговой сварки. Выход инвертора имеет два…
Birbir

Borka, M. Horváth
